作者其它图纸
查看更多
猜你喜欢

IGS
2025-04-24 10:21
# | 文件名称 | 文件大小 |
---|---|---|
1 | +必看说明+.txt | 2.22 KB |
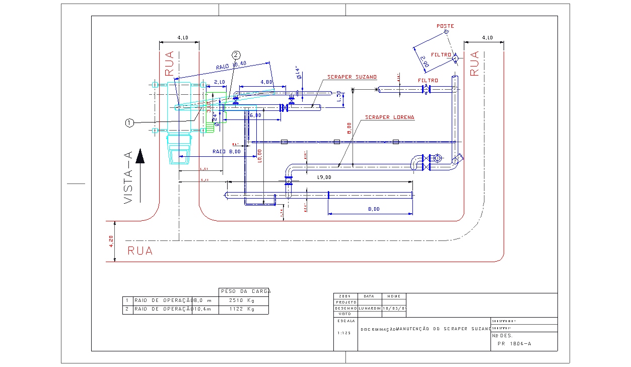
2 | SCRAPER SUZANO PLANTA.JPG | 192 KB |
3 | SCRAPER SUZANO VISTA - A.JPG | 233 KB |
4 | SCRAPER_SUZANOELEVAÇÃO --www.ysh3d.com.dwg | 215 KB |
5 | SCRAPER_SUZANOVISTA-A --www.ysh3d.com.dwg | 215 KB |
6 | 【 屿双网 www.ysh3d.com 】 更多【资料】【图档】.url | 177 B |
7 | 公众号免费下载.jpg | 79 KB |
下载该图档需要消耗0金币!