加载中
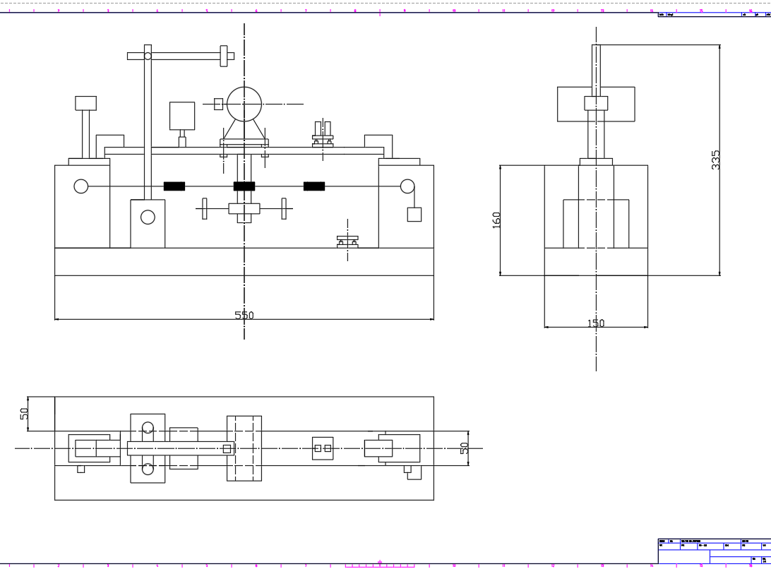
机械振动测试系统的设计+说明书(ID:546004)
免责申明: 本网站模型由用户自行上传,如权利人发现存在误传其作品情形,请及时与本站联系。
立即下载
此图纸下载需要125金币
图纸ID:546004
文件大小:2.89M
软件版本:AUTOCAD 2004
图纸格式:dwg
参数/编辑:可修改,包括参数
上传时间:2023-10-03
图纸介绍:
发布者
莫忘初心
作品: 249
粉丝: 4
作者其它图纸
查看更多
推瓶机构洗瓶机机械设计+cad
SOLIDWORKS,AUTOCAD
2024-01-17 09:53
光伏双轴跟踪器
SOLIDWORKS,STEP
2024-01-17 08:53
立柱机器人焊接工作站
SOLIDWORKS
2024-01-17 10:53
转笼式周转箱清洗烘干机
STEP,SOLIDWORKS
2024-01-17 10:55
AGV机械手
STEP,SOLIDWORKS
2024-01-17 09:50
半导体领域双tray盘搬运机构
PROE,STEP
2024-01-17 09:51
猜你喜欢
大型复杂六工位测试机
SOLIDWORKS,STEP
2024-02-25 22:15
MOC泵电性能测试设备
SOLIDWORKS,STEP,PARASOLID
2024-03-27 00:27
PCB测试机
SOLIDWORKS
2024-02-22 10:03
23-自动测试贴模机
STEP,SOLIDWORKS,PARASOLID
2025-03-01 13:25
电源测试仪
STP
2025-07-18 23:22
探针台测试设备
SOLIDWORKS,STEP
2023-12-31 01:53
一种按压力测试机构
STP
2025-07-13 09:57
提示
×

下载该图档需要消耗125金币!

确认下载
客服
TOP