加载中
首页
图库
课设毕设
资料库
工程师
活动福利
+
发布图纸
登录
注册
账号密码登录
两周免密登录
忘记密码?
登 录
同意
《隐私协议》
和
《注册协议》
还没有账号,
去注册
账号注册
获取验证码
同意
《隐私协议》
和
《注册协议》
注册
已有账号,
去登录
微信扫码登录
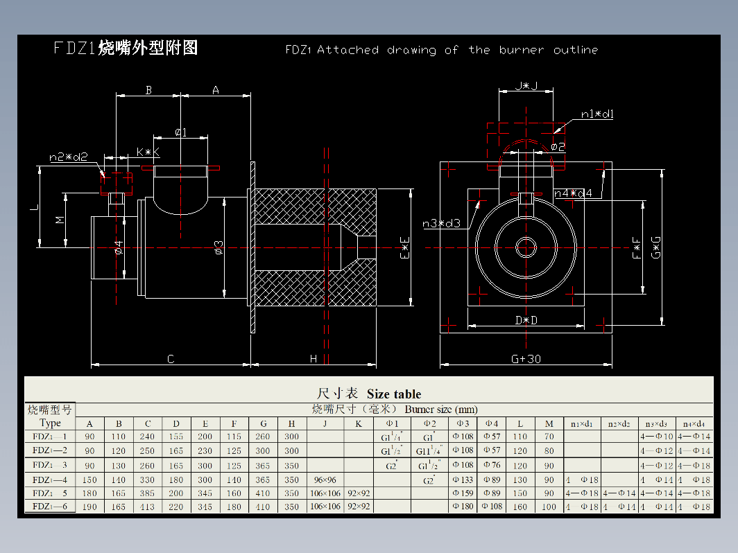
DW-1涡流式煤气烧嘴(ID:578257)
机械设备
/
非标机械
/
DW-1涡流式煤气烧嘴
101
0
0
平面图
3D视图
文件列表
屿双网
屿双网
屿双网
屿双网
屿双网
屿双网
屿双网
屿双网
屿双网
屿双网
屿双网
屿双网
屿双网
屿双网
屿双网
#
文件名称
文件大小
1
DW-1涡流式煤气烧嘴.dwg
72.3 KB
2
微信公众号.jpg
78.6 KB
3
必看说明+.txt
2.22 KB
4
百度搜索:屿双网 www.ysh3d.com 】 海量免费【资料】【图档】.url
177 B
举报/反馈
免责申明: 本网站模型由用户自行上传,如权利人发现存在误传其作品情形,请及时与本站联系。
立即下载
此图纸下载需要
20
金币
图纸ID:
578257
文件大小:
92.54KB
软件版本:
AUTOCAD 2000
图纸格式:
dwg
参数/编辑:
可修改,包括参数
上传时间:
2024-06-27
图纸介绍:
发布者
屿双网libm
关注
作品:
2106
粉丝:
14
作者其它图纸
查看更多
秸秆纤维结构制取机 UG+CAD+说明书
PARASOLID,UG,AUTOCAD
2024-10-31 08:47
单轴面筋脱水机设计 CAD+设计说明书
AUTOCAD
2024-01-14 23:19
激光打标机
SOLIDWORKS
2024-09-11 23:22
小型全自动植树机
SOLIDWORKS,STEP
2024-10-29 15:39
螺旋压榨机(葡萄、沙棘果、枇杷、芦荟、木薯渣、杨梅、石榴、生姜、菠菜、药材、锯末、茶叶等)
STEP,SOLIDWORKS
2024-10-29 14:23
葵花脱粒机
SOLIDWORKS,STEP
2024-10-28 18:22
双滚筒气力循环式花生脱壳机
PARASOLID,SOLIDWORKS
2024-10-29 13:06
AGV升降小车 sw+cad
SOLIDWORKS,AUTOCAD
2024-10-24 08:52
猜你喜欢
CDB5 隔离开关[CDB5420]德力西
STEP
2025-02-23 13:57
同步轮XL型-04XL-26B20W15L25Q
SOLIDWORKS
2024-01-14 00:34
战锤40K帝皇毒刃 Warhammer 40000 Baneblade
SOLIDWORKS
2025-08-12 14:46
移动工具台含抽屉
SOLIDWORKS
2024-01-16 00:27
四工位转盘自动上料机
PARASOLID
2025-09-29 00:27
轻载电动缸TPA-ESR80-2510C-L50-MR-QDX-W-P75-JX-C3
STEP
2025-06-03 10:30
CH-12270快速夹钳
STEP
2024-06-26 21:18
街道设计
AUTOCAD
2024-01-21 11:09
模型报错
模型报错类型:
分类错误
版本错误
雷同或版权问题,重复ID
图片与模型不一致
文件不完整
解压文件打不开或有问题
模型报错描述:
联系方式
提交报错
提示
×
下载该图档需要消耗20金币!
确认下载
我和
会话
发布私信
客服
扫码添加微信客服
签到
分享
TOP