加载中
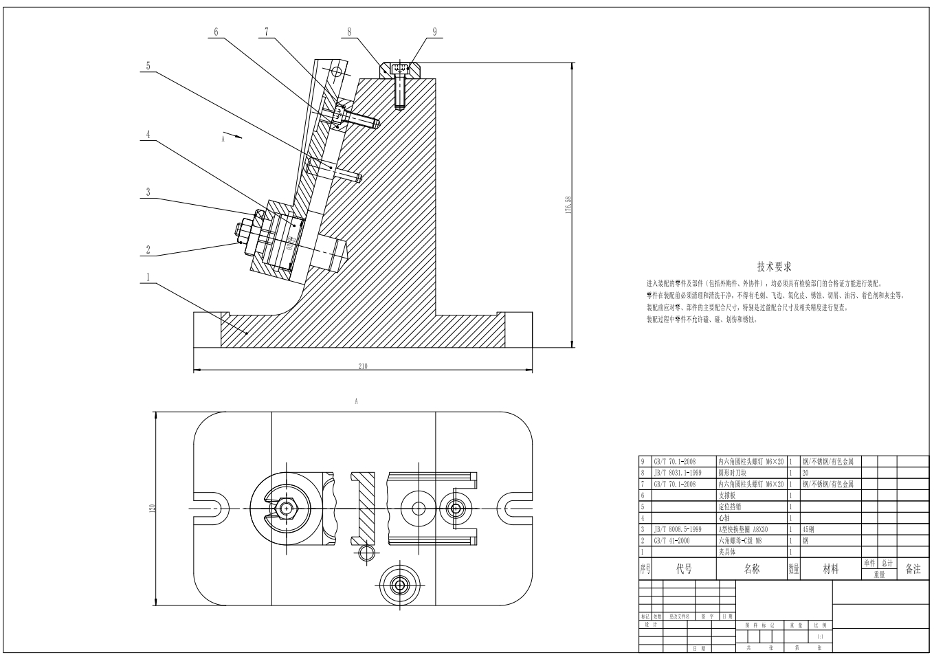
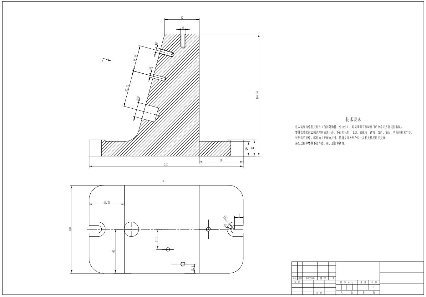
手臂机械加工工艺规程及铣斜面夹具设计+CAD+说明书(ID:601015)
免责申明: 本网站模型由用户自行上传,如权利人发现存在误传其作品情形,请及时与本站联系。
立即下载
此图纸下载需要180金币
图纸ID:601015
文件大小:1.69M
软件版本:AUTOCAD 2007
图纸格式:dwg
参数/编辑:可修改,包括参数
上传时间:2024-07-31
图纸介绍:
发布者
屿双网uyjq
作品: 5522
粉丝: 2
作者其它图纸
查看更多
重载搬运机器人+CAD+说明书
AUTOCAD,SOLIDWORKS
2024-09-04 16:55
卧式饲料搅拌机
SOLIDWORKS,STEP
2024-09-04 12:14
糕点切片机三维SW2020带参+说明书
SOLIDWORKS,STEP,PARASOLID
2024-07-31 21:08
履带自走式除草机三维SW2020带参+CAD+说明书
AUTOCAD,SOLIDWORKS,STEP
2024-09-02 20:46
双轴跟踪光伏支架
SOLIDWORKS
2024-09-04 11:20
晶圆芯片光刻机
SOLIDWORKS
2024-08-01 22:10
猜你喜欢
第五轴回转工作台
IGES,STEP
2025-04-20 20:27
套筒60C 14
STP
2025-03-27 15:09
治具气缸2D-JDD63x40-S
AUTOCAD
2025-10-29 14:29
6-28寸自动铝棒锯
SOLIDWORKS
2025-10-28 16:27
龙骨焊接固定工装
STEP
2025-12-13 00:45
夹具小推车
STEP
2024-01-13 23:42
冲击和弹簧
SOLIDWORKS
2025-01-05 19:12
提示
×

下载该图档需要消耗180金币!

确认下载
客服
TOP