加载中
首页
图库
课设毕设
资料库
工程师
活动福利
+
发布图纸
登录
注册
账号密码登录
两周免密登录
忘记密码?
登 录
同意
《隐私协议》
和
《注册协议》
还没有账号,
去注册
账号注册
获取验证码
同意
《隐私协议》
和
《注册协议》
注册
已有账号,
去登录
微信扫码登录
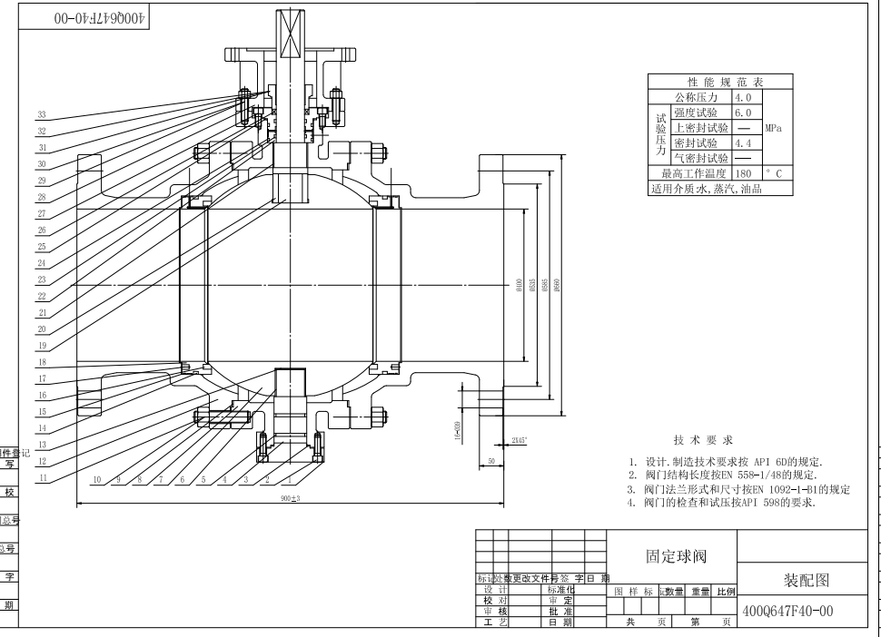
Z双向密封性球阀(ID:601707)
设备部件
/
连接与密封
/
Z双向密封性球阀
94
0
0
平面图
3D视图
文件列表
屿双网
屿双网
屿双网
屿双网
屿双网
屿双网
屿双网
屿双网
屿双网
#
文件名称
文件大小
1
0微信截图_20231111083022.png
187 KB
2
0微信截图_20231111083031.png
120 KB
3
0微信截图_20231111083037.png
79.1 KB
4
400Q647F40(L=900).dwg
664 KB
举报/反馈
免责申明: 本网站模型由用户自行上传,如权利人发现存在误传其作品情形,请及时与本站联系。
立即下载
此图纸下载需要
400
金币
图纸ID:
601707
文件大小:
970.22KB
软件版本:
AUTOCAD 2007
图纸格式:
dwg
参数/编辑:
可修改,包括参数
上传时间:
2024-08-01
图纸介绍:
发布者
屿双网uyjq
关注
作品:
5522
粉丝:
2
作者其它图纸
查看更多
玉米秸秆打捆机设计秸秆回收机设计三维SW2020带参+CAD+说明书
AUTOCAD,SOLIDWORKS
2024-09-02 23:58
重载搬运机器人+CAD+说明书
AUTOCAD,SOLIDWORKS
2024-09-04 16:55
糕点切片机三维SW2020带参+说明书
SOLIDWORKS,STEP,PARASOLID
2024-07-31 21:08
履带自走式除草机三维SW2020带参+CAD+说明书
AUTOCAD,SOLIDWORKS,STEP
2024-09-02 20:46
卧式饲料搅拌机
SOLIDWORKS,STEP
2024-09-04 12:14
小型家用多功能磨粉机【三维UG、SolidWorks】三维SW+CAD+说明书
AUTOCAD,SOLIDWORKS,STEP,UG
2024-09-02 22:52
晶圆芯片光刻机
SOLIDWORKS
2024-08-01 22:10
胡萝卜切丝机的设计三维UG8.5带参+CAD+说明书
AUTOCAD,UG
2024-09-02 13:04
猜你喜欢
DIN 912 M16-M24 -所有尺寸内六角螺栓
STL,STP
2025-03-24 15:55
DIN_EN_ISO_4017_M8x60.ipt六角螺栓
STP
2025-01-20 21:40
超薄型内六角螺钉0 25 20螺纹尺寸1英寸长.DWG
AUTOCAD
2025-04-22 14:56
薄型凹头螺钉M12x1.75x20,
AUTOCAD,IGS,SOLIDWORKS,STP
2025-03-04 17:29
公螺柱连接器GE22L1NPT71X
STP
2025-03-28 10:16
NA轴向锁紧螺母[NA M200x3.0]
SOLIDWORKS
2025-02-24 20:24
各种 六角头螺栓 - GB 5783-86
AUTOCAD
2024-01-22 08:58
旋转螺母分支三通ET22ZL71
STP
2025-03-28 13:26
模型报错
模型报错类型:
分类错误
版本错误
雷同或版权问题,重复ID
图片与模型不一致
文件不完整
解压文件打不开或有问题
模型报错描述:
联系方式
提交报错
提示
×
下载该图档需要消耗400金币!
确认下载
我和
会话
发布私信
客服
扫码添加微信客服
签到
分享
TOP