加载中
首页
图库
课设毕设
资料库
工程师
活动福利
+
发布图纸
登录
注册
账号密码登录
两周免密登录
忘记密码?
登 录
同意
《隐私协议》
和
《注册协议》
还没有账号,
去注册
账号注册
获取验证码
同意
《隐私协议》
和
《注册协议》
注册
已有账号,
去登录
微信扫码登录
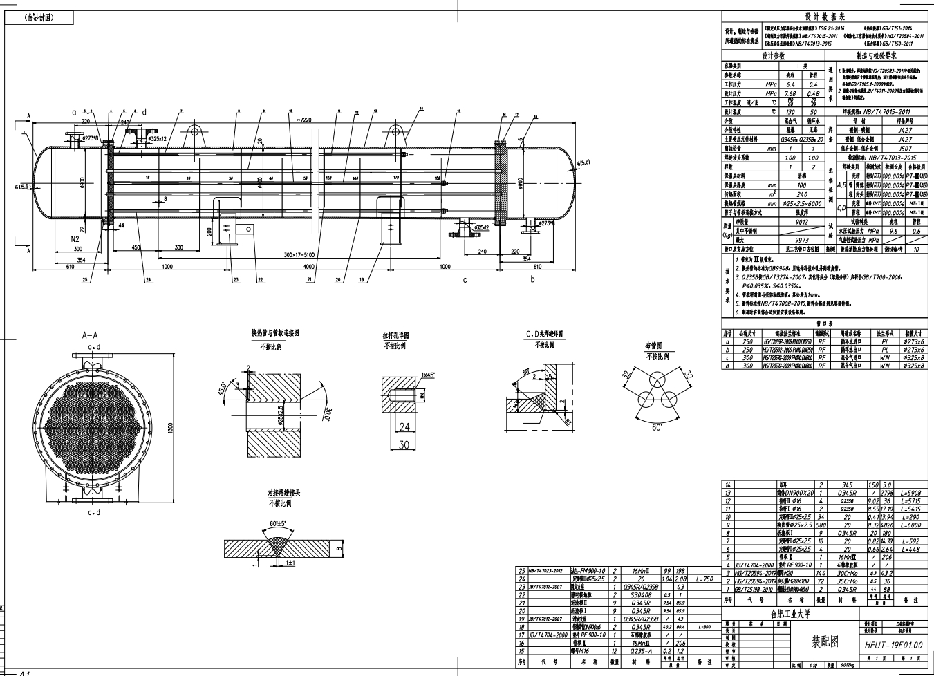
DN900换热面240平换热器装配图(ID:601779)
机械设备
/
化工设备
/
DN900换热面240平换热器装配图
162
0
0
平面图
3D视图
文件列表
屿双网
屿双网
屿双网
屿双网
屿双网
屿双网
屿双网
屿双网
屿双网
屿双网
屿双网
屿双网
屿双网
#
文件名称
文件大小
1
0全图.png
32.5 KB
2
0参数表.png
38.8 KB
3
0尺寸图.png
18.2 KB
4
0微信截图_20231111083339.png
395 KB
5
0横截面图.png
25.8 KB
6
DN900x4000换热器装配图.dwg
624 KB
举报/反馈
免责申明: 本网站模型由用户自行上传,如权利人发现存在误传其作品情形,请及时与本站联系。
立即下载
此图纸下载需要
80
金币
图纸ID:
601779
文件大小:
1.04M
软件版本:
AUTOCAD 2007
图纸格式:
dwg
参数/编辑:
可修改,包括参数
上传时间:
2024-08-01
图纸介绍:
发布者
屿双网uyjq
关注
作品:
5522
粉丝:
2
作者其它图纸
查看更多
玉米秸秆打捆机设计秸秆回收机设计三维SW2020带参+CAD+说明书
AUTOCAD,SOLIDWORKS
2024-09-02 23:58
卧式饲料搅拌机
SOLIDWORKS,STEP
2024-09-04 12:14
重载搬运机器人+CAD+说明书
AUTOCAD,SOLIDWORKS
2024-09-04 16:55
小型家用多功能磨粉机【三维UG、SolidWorks】三维SW+CAD+说明书
AUTOCAD,SOLIDWORKS,STEP,UG
2024-09-02 22:52
自动取料机械手臂结构设计三维SW+CAD+说明书
AUTOCAD,STEP,SOLIDWORKS
2024-07-31 07:44
糕点切片机三维SW2020带参+说明书
SOLIDWORKS,STEP,PARASOLID
2024-07-31 21:08
履带自走式除草机三维SW2020带参+CAD+说明书
AUTOCAD,SOLIDWORKS,STEP
2024-09-02 20:46
新型液压千斤顶设计创新三维SW2012带参+CAD+说明书
STEP,AUTOCAD,SOLIDWORKS
2024-09-02 22:53
猜你喜欢
电解加工装置CAD
AUTOCAD
2025-02-18 22:36
多种型号蒸发器
AUTOCAD
2025-04-21 13:40
立式废热锅炉
AUTOCAD
2024-01-15 20:38
18.5立方米DN2600反应结晶器
AUTOCAD
2024-08-05 09:55
自助加油站加油枪设备
PARASOLID
2025-10-13 00:06
换热器CAD
AUTOCAD
2024-01-12 19:07
30 x35蓝黑底片电解电容器
STP
2025-03-24 10:43
Boiler锅炉长设备系统
SOLIDWORKS
2024-01-23 22:57
模型报错
模型报错类型:
分类错误
版本错误
雷同或版权问题,重复ID
图片与模型不一致
文件不完整
解压文件打不开或有问题
模型报错描述:
联系方式
提交报错
提示
×
下载该图档需要消耗80金币!
确认下载
我和
会话
发布私信
客服
扫码添加微信客服
签到
分享
TOP