加载中
CA6140车床数控化改造【8张图纸】【优秀】+CAD+说明书(ID:616323)
免责申明: 本网站模型由用户自行上传,如权利人发现存在误传其作品情形,请及时与本站联系。
立即下载
此图纸下载需要400金币
图纸ID:616323
文件大小:4.02M
软件版本:AUTOCAD 2004
图纸格式:dwg
参数/编辑:可修改,包括参数
上传时间:2024-09-01
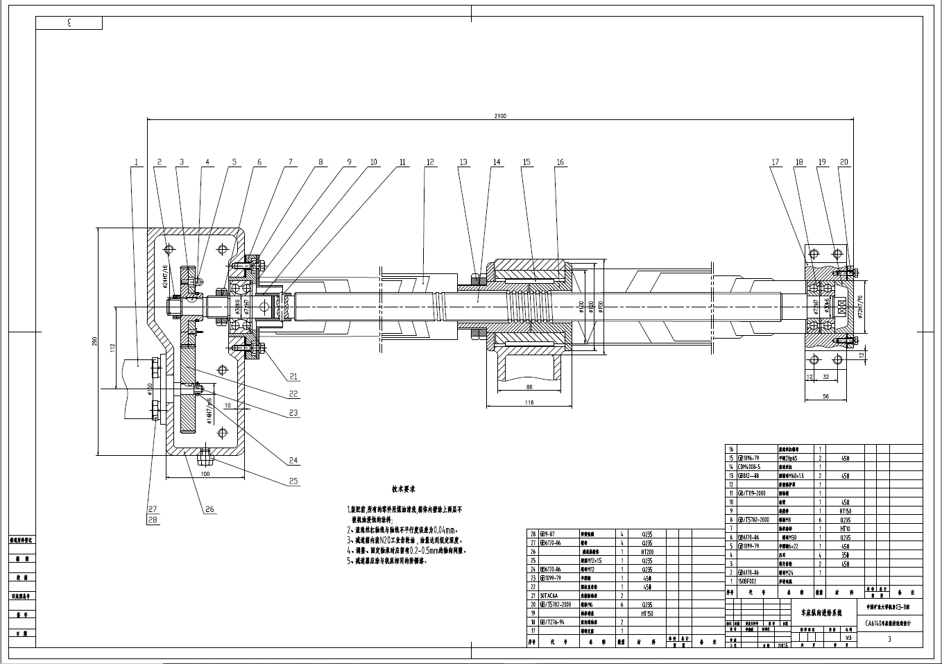
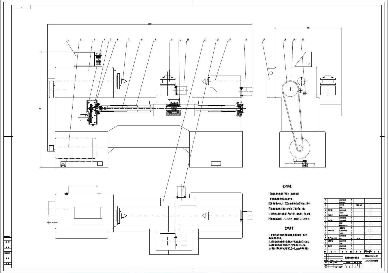
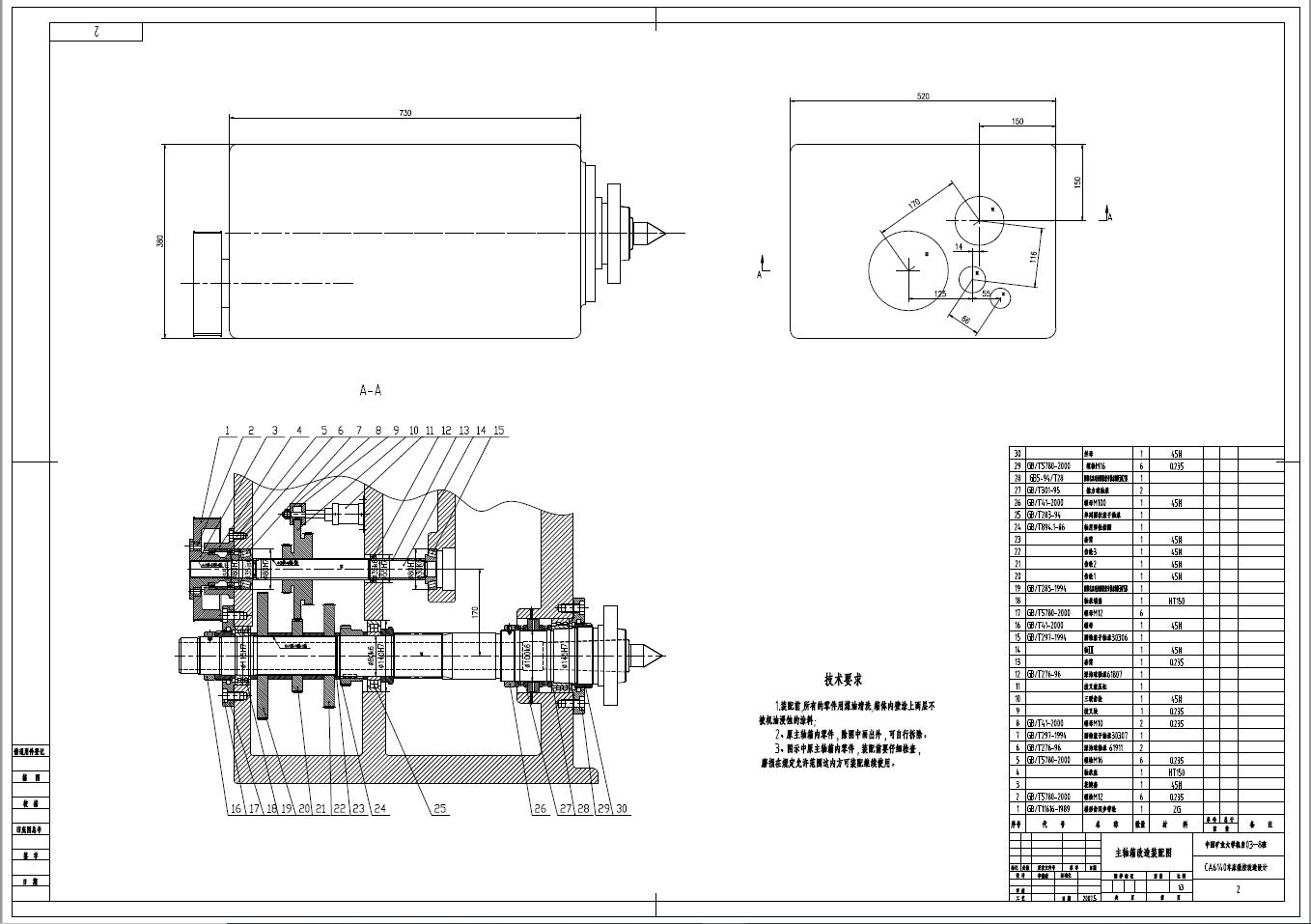
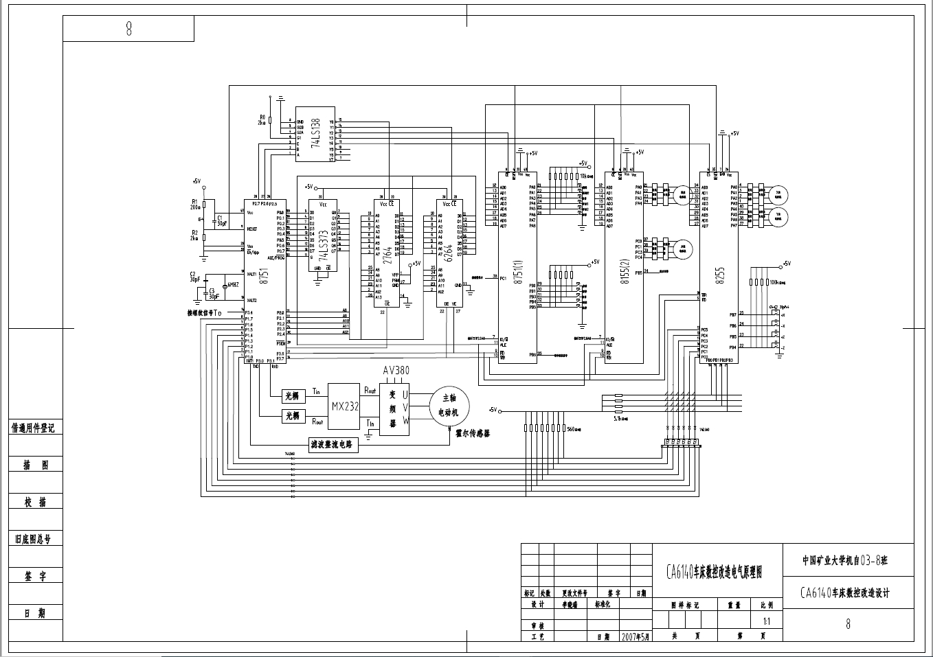
图纸介绍:
发布者
屿双网uyjq
作品: 5522
粉丝: 2
作者其它图纸
查看更多
重载搬运机器人+CAD+说明书
AUTOCAD,SOLIDWORKS
2024-09-04 16:55
糕点切片机三维SW2020带参+说明书
SOLIDWORKS,STEP,PARASOLID
2024-07-31 21:08
履带自走式除草机三维SW2020带参+CAD+说明书
AUTOCAD,SOLIDWORKS,STEP
2024-09-02 20:46
卧式饲料搅拌机
SOLIDWORKS,STEP
2024-09-04 12:14
晶圆芯片光刻机
SOLIDWORKS
2024-08-01 22:10
猜你喜欢
数控激光切割机
STP
2025-04-21 23:30
自动军械车床
SOLIDWORKS
2024-01-11 17:28
 加工平台固定式三轴数控铣床
SOLIDWORKS,STEP
2024-08-30 10:21
Su Jeti ( Water Jet )机床
SOLIDWORKS
2024-01-18 23:32
数控车床自动上下料设备
SOLIDWORKS
2024-10-27 18:45
铜管开料切割机
UG,STP
2025-03-31 22:18
提示
×

下载该图档需要消耗400金币!

确认下载
客服
TOP