加载中
首页
图库
课设毕设
资料库
工程师
活动福利
+
发布图纸
登录
注册
账号密码登录
两周免密登录
忘记密码?
登 录
同意
《隐私协议》
和
《注册协议》
还没有账号,
去注册
账号注册
获取验证码
同意
《隐私协议》
和
《注册协议》
注册
已有账号,
去登录
微信扫码登录
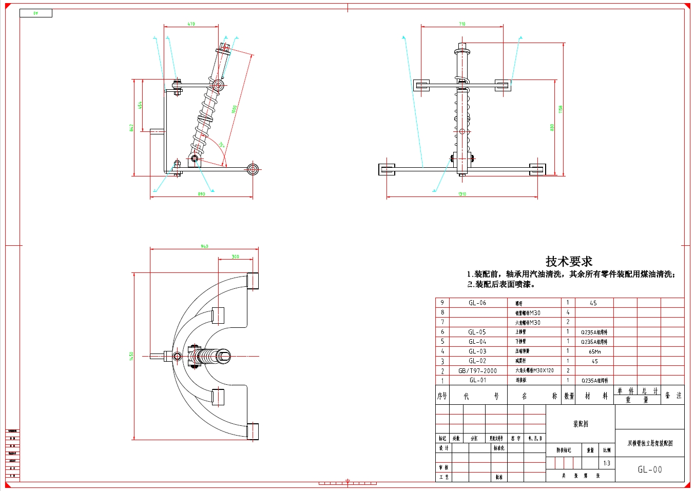
双横臂独立悬架装配图CAD图纸(ID:617482)
机械设备
/
非标机械
/
双横臂独立悬架装配图CAD图纸
153
0
0
平面图
3D视图
文件列表
屿双网
屿双网
屿双网
屿双网
屿双网
#
文件名称
文件大小
1
双横臂独立悬架装配图==1447590=50.DWG
358 KB
2
微信截图_20240819083127.png
245 KB
举报/反馈
免责申明: 本网站模型由用户自行上传,如权利人发现存在误传其作品情形,请及时与本站联系。
立即下载
此图纸下载需要
50
金币
图纸ID:
617482
文件大小:
323.56KB
软件版本:
AUTOCAD
图纸格式:
dwg
参数/编辑:
可修改,包括参数
上传时间:
2024-09-03
图纸介绍:
发布者
屿双网uyjq
关注
作品:
5522
粉丝:
2
作者其它图纸
查看更多
玉米秸秆打捆机设计秸秆回收机设计三维SW2020带参+CAD+说明书
AUTOCAD,SOLIDWORKS
2024-09-02 23:58
重载搬运机器人sw+CAD+说明书
AUTOCAD,SOLIDWORKS
2024-09-04 16:55
卧式饲料搅拌机
SOLIDWORKS,STEP
2024-09-04 12:14
小型家用多功能磨粉机【三维UG、SolidWorks】三维SW+CAD+说明书
AUTOCAD,SOLIDWORKS,STEP,UG
2024-09-02 22:52
自动取料机械手臂结构设计三维SW+CAD+说明书
AUTOCAD,STEP,SOLIDWORKS
2024-07-31 07:44
糕点切片机三维SW2020带参+说明书
SOLIDWORKS,STEP,PARASOLID
2024-07-31 21:08
履带自走式除草机三维SW2020带参+CAD+说明书
AUTOCAD,SOLIDWORKS,STEP
2024-09-02 20:46
新型液压千斤顶设计创新三维SW2012带参+CAD+说明书
STEP,AUTOCAD,SOLIDWORKS
2024-09-02 22:53
猜你喜欢
手动小闸刀模型
SOLIDWORKS,STEP
2026-02-24 00:46
佳能EF 300mm f_2.8L是II USM镜头
SOLIDWORKS
2025-09-28 10:10
DBDS10P 直动型溢流阀
SOLIDWORKS
2024-12-22 14:05
带旋转货柜的手推车
STEP
2024-01-11 18:57
塔式起重机-配重部分
UG,STP
2025-09-12 15:38
连接器蓝色JST XH 6针2.54 mm
STP
2025-03-24 10:55
日规模组半封闭丝杆TPA-HNR-202D-2510C-L400-M-C-P75-N3
STEP
2025-06-05 16:45
小凸缘型梯形齿同步带轮XL型_SXLDC-36-031-dc16-A
SOLIDWORKS
2025-05-16 09:01
模型报错
模型报错类型:
分类错误
版本错误
雷同或版权问题,重复ID
图片与模型不一致
文件不完整
解压文件打不开或有问题
模型报错描述:
联系方式
提交报错
提示
×
下载该图档需要消耗50金币!
确认下载
我和
会话
发布私信
客服
扫码添加微信客服
签到
分享
TOP