加载中
首页
图库
课设毕设
资料库
工程师
活动福利
+
发布图纸
登录
注册
账号密码登录
两周免密登录
忘记密码?
登 录
同意
《隐私协议》
和
《注册协议》
还没有账号,
去注册
账号注册
获取验证码
同意
《隐私协议》
和
《注册协议》
注册
已有账号,
去登录
微信扫码登录
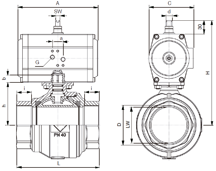
球形两件在球形石墨铸铁球阀中带螺纹连接两件式气球阀门在球墨形铸造带螺纹连接(ID:670474)
设备部件
/
管道附件
/
球形两件在球形石墨铸铁球阀中带螺纹连接两件式气球阀门在球墨形铸造带螺纹连接
139
0
0
平面图
3D视图
文件列表
屿双网
屿双网
屿双网
屿双网
屿双网
屿双网
屿双网
屿双网
屿双网
屿双网
屿双网
屿双网
屿双网
屿双网
屿双网
屿双网
屿双网
屿双网
屿双网
屿双网
屿双网
屿双网
屿双网
屿双网
屿双网
#
文件名称
文件大小
1
1.JPG
213 KB
2
2.JPG
1.54 MB
3
3.JPG
1.55 MB
4
4.JPG
1.54 MB
5
Fondo.png
96.1 KB
6
Valvula.STEP
6.77 MB
举报/反馈
免责申明: 本网站模型由用户自行上传,如权利人发现存在误传其作品情形,请及时与本站联系。
立即下载
此图纸下载需要
10
金币
图纸ID:
670474
文件大小:
11.99M
软件版本:
STEP
图纸格式:
step
参数/编辑:
可修改,不包括参数
上传时间:
2025-02-21
图纸介绍:
发布者
屿双网jkkr
关注
作品:
7504
粉丝:
2
作者其它图纸
查看更多
XY轴丝杆伺服移动平台
SOLIDWORKS
2024-07-19 12:28
气缸
STP
2025-03-06 11:07
回转轴承-单列球轴承模型
SOLIDWORKS,STEP
2025-03-06 15:34
安防网络监控摄像头
SOLIDWORKS
2024-07-19 12:37
爱普生六自由度机器人
STEP,SOLIDWORKS
2024-07-19 12:36
齿轮齿条系统
SOLIDWORKS
2024-07-18 14:59
RV系列蜗轮减速机[RV50-71]
STEP
2025-01-04 17:55
轴带滚珠丝杠
SOLIDWORKS,IGES,STL
2024-07-19 12:35
猜你喜欢
自封式快速接头HKCE隔板接头[HKCE04-00]
SOLIDWORKS
2025-02-22 18:06
IPB 螺纹正三通_IPB06-04
SOLIDWORKS
2025-04-29 10:56
DN50化工法兰带槽
SOLIDWORKS
2025-05-23 09:19
FKS-法兰型 短 标准高型钢制超级滚珠滑块[FKS-35 R1661 314 20]
SOLIDWORKS
2024-12-22 16:36
平面整体钢制管法兰_法兰 DN2000-PN2.5 FF 1
SOLIDWORKS
2025-05-14 10:10
双外丝接头0.5
SOLIDWORKS
2025-02-22 14:19
HSG-50X28-FC 圆形前法兰型圆型工程油缸[HSG-50X28-300-FC]
SOLIDWORKS
2025-07-17 17:10
多套FIP球阀VXE DN65-100系列
IGS
2025-03-21 09:34
模型报错
模型报错类型:
分类错误
版本错误
雷同或版权问题,重复ID
图片与模型不一致
文件不完整
解压文件打不开或有问题
模型报错描述:
联系方式
提交报错
提示
×
下载该图档需要消耗10金币!
确认下载
我和
会话
发布私信
客服
扫码添加微信客服
签到
分享
TOP