加载中
首页
图库
课设毕设
资料库
工程师
活动福利
+
发布图纸
登录
注册
账号密码登录
两周免密登录
忘记密码?
登 录
同意
《隐私协议》
和
《注册协议》
还没有账号,
去注册
账号注册
获取验证码
同意
《隐私协议》
和
《注册协议》
注册
已有账号,
去登录
微信扫码登录
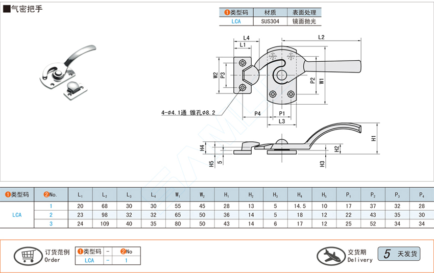
气密把手@LCA(ID:682470)
设备部件
/
操作件
/
气密把手@LCA
127
0
0
平面图
3D视图
文件列表
屿双网
屿双网
屿双网
屿双网
屿双网
屿双网
屿双网
屿双网
屿双网
屿双网
屿双网
屿双网
屿双网
屿双网
屿双网
屿双网
屿双网
屿双网
屿双网
#
文件名称
文件大小
1
411-2.jpg
191 KB
2
LCA-1.stp
337 KB
3
LCA-2.SLDASM
504 KB
4
LCA-2.stp
323 KB
5
LCA-3.stp
300 KB
6
气密把手@LCA.png
52.1 KB
举报/反馈
免责申明: 本网站模型由用户自行上传,如权利人发现存在误传其作品情形,请及时与本站联系。
立即下载
此图纸下载需要
10
金币
图纸ID:
682470
文件大小:
968.6KB
软件版本:
STP,SOLIDWORKS
图纸格式:
sldasm
参数/编辑:
可修改,包括参数
上传时间:
2025-02-23
图纸介绍:
发布者
屿双网jkkr
关注
作品:
7504
粉丝:
2
作者其它图纸
查看更多
XY轴丝杆伺服移动平台
SOLIDWORKS
2024-07-19 12:28
气缸
STP
2025-03-06 11:07
轴带滚珠丝杠
SOLIDWORKS,IGES,STL
2024-07-19 12:35
回转轴承-单列球轴承模型
SOLIDWORKS,STEP
2025-03-06 15:34
70X70的散热风扇
SOLIDWORKS
2024-12-21 21:21
安防网络监控摄像头
SOLIDWORKS
2024-07-19 12:37
爱普生六自由度机器人
STEP,SOLIDWORKS
2024-07-19 12:36
齿轮齿条系统
SOLIDWORKS
2024-07-18 14:59
猜你喜欢
TCH-511-6392854脚轮
SOLIDWORKS
2025-05-26 10:44
JG型碗型橡胶减震器[JG2-45]
SOLIDWORKS
2025-02-23 18:27
耐高温轻载型(90~120kg)螺纹型脚轮[CATM100-H]
STEP
2024-12-08 14:31
捏手,手柄,把手,摇手,手轮,折叠把手GN 666.4-30-M8-400-EL30M 8400229044036048015340
STP
2025-02-27 16:36
抗冲击特重载脚轮-万向型@JWAG
STP
2025-02-23 21:10
Z01-01B-100-(314B)普通工业轮[Z01-01B-100-314B]脚轮
SOLIDWORKS
2025-01-05 16:17
轻载型脚轮[TL01-25-2-H]
STEP
2025-02-23 21:21
MSZ系列[MSZ-02]铰链,合页
SOLIDWORKS
2024-12-28 16:47
模型报错
模型报错类型:
分类错误
版本错误
雷同或版权问题,重复ID
图片与模型不一致
文件不完整
解压文件打不开或有问题
模型报错描述:
联系方式
提交报错
提示
×
下载该图档需要消耗10金币!
确认下载
我和
会话
发布私信
客服
扫码添加微信客服
签到
分享
TOP