加载中
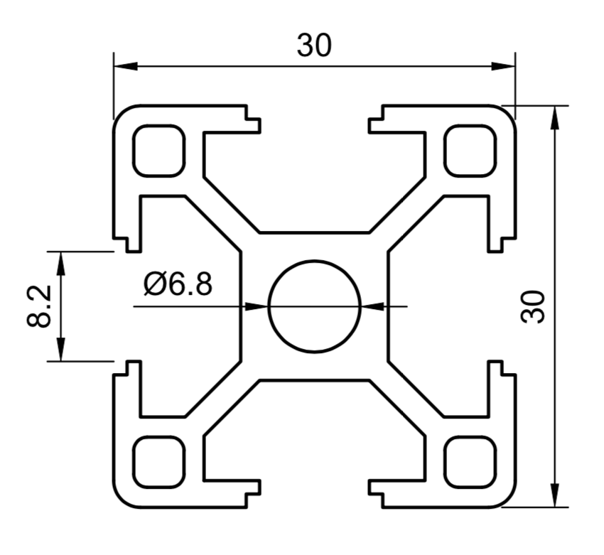
3030铝挤压型材(ID:693645)
免责申明: 本网站模型由用户自行上传,如权利人发现存在误传其作品情形,请及时与本站联系。
立即下载
此图纸下载需要10金币
图纸ID:693645
文件大小:889.72KB
软件版本:IGES,STEP
图纸格式:step
参数/编辑:可修改,不包括参数
上传时间:2025-03-06
图纸介绍:
发布者
屿双网jkkr
作品: 7504
粉丝: 2
作者其它图纸
查看更多
XY轴丝杆伺服移动平台
SOLIDWORKS
2024-07-19 12:28
回转轴承-单列球轴承模型
SOLIDWORKS,STEP
2025-03-06 15:34
安防网络监控摄像头
SOLIDWORKS
2024-07-19 12:37
爱普生六自由度机器人
STEP,SOLIDWORKS
2024-07-19 12:36
齿轮齿条系统
SOLIDWORKS
2024-07-18 14:59
二级圆柱齿轮减速器
SOLIDWORKS,AUTOCAD
2025-01-09 19:11
轴带滚珠丝杠
SOLIDWORKS,IGES,STL
2024-07-19 12:35
气缸
STP
2025-03-06 11:07
猜你喜欢
XE-LSX103铝型材20x40
SOLIDWORKS
2025-04-10 15:09
XE-LSX02铝型材40x40
SOLIDWORKS
2025-04-10 15:03
由铝制40x40型材制成
STEP
2025-04-28 10:17
40系列铝型材_AA40-4080-6-SL-200
SOLIDWORKS
2025-03-11 17:15
45系列铝型材_AA45-4545-2-N-200
SOLIDWORKS
2025-03-11 17:16
管和棒料夹具
SOLIDWORKS,STL
2024-01-09 19:13
XE-LSX132铝型材45x45
SOLIDWORKS
2025-04-10 15:09
110KV角钢铁塔
AUTOCAD
2023-12-25 12:58
提示
×

下载该图档需要消耗10金币!

确认下载
客服
TOP