加载中
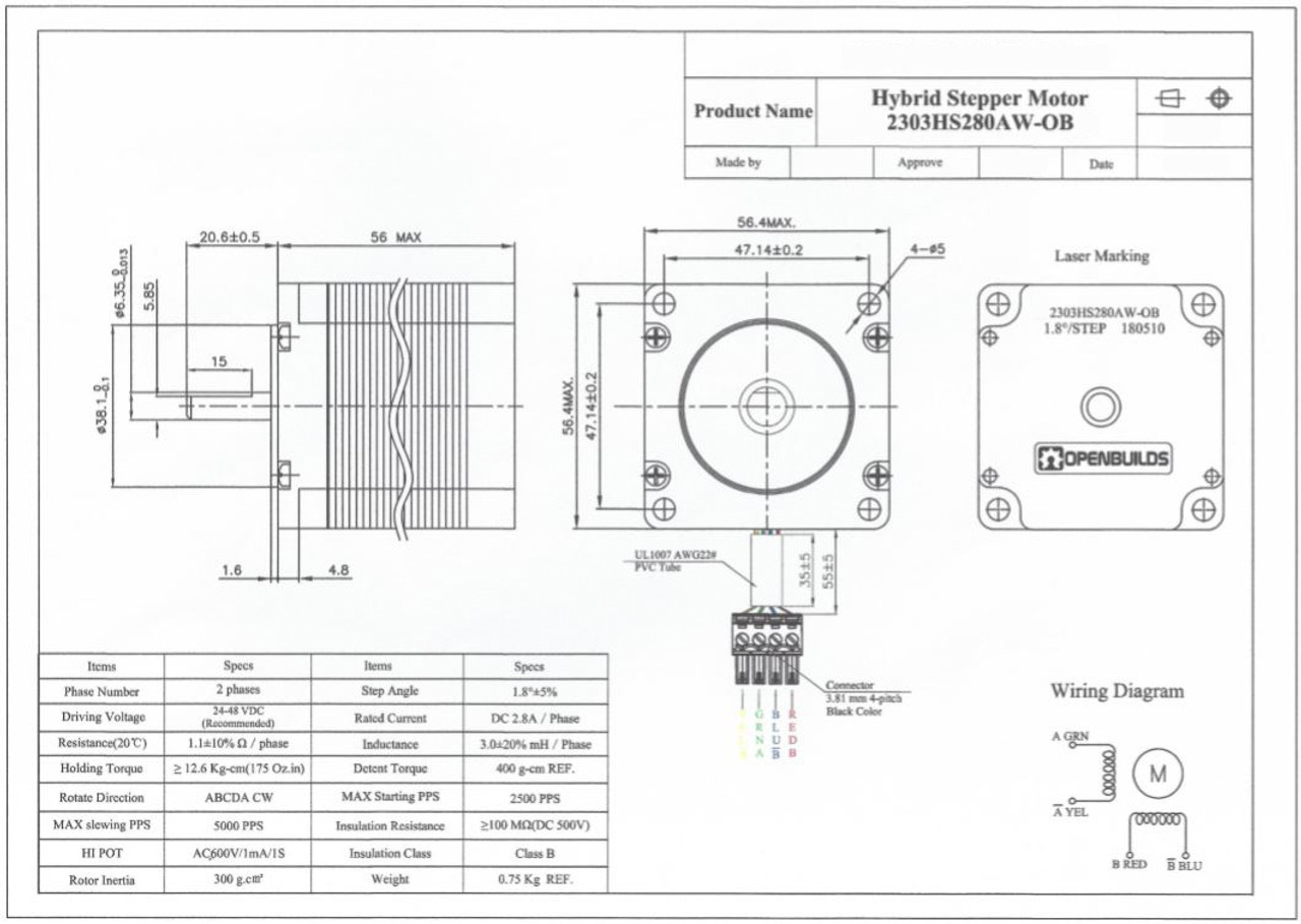
这是Nema 23步进电机。它具有10kgcm或1Nm的保持扭矩。它的总长度是56毫米,没有轴(ID:696171)
免责申明: 本网站模型由用户自行上传,如权利人发现存在误传其作品情形,请及时与本站联系。
立即下载
此图纸下载需要10金币
图纸ID:696171
文件大小:20.13M
软件版本:SOLIDWORKS 2022,STEP
图纸格式:sldasm,sldprt,step
参数/编辑:可修改,包括参数
上传时间:2025-03-11
图纸介绍:
发布者
屿双网jkkr
作品: 7504
粉丝: 2
作者其它图纸
查看更多
XY轴丝杆伺服移动平台
SOLIDWORKS
2024-07-19 12:28
回转轴承-单列球轴承模型
SOLIDWORKS,STEP
2025-03-06 15:34
步进电机
SOLIDWORKS,STEP
2024-07-17 12:01
安防网络监控摄像头
SOLIDWORKS
2024-07-19 12:37
爱普生六自由度机器人
STEP,SOLIDWORKS
2024-07-19 12:36
步进电机-NEMA34
SOLIDWORKS
2024-07-17 12:01
齿轮齿条系统
SOLIDWORKS
2024-07-18 14:59
二级圆柱齿轮减速器
SOLIDWORKS,AUTOCAD
2025-01-09 19:11
提示
×

下载该图档需要消耗10金币!

确认下载
客服
TOP