加载中
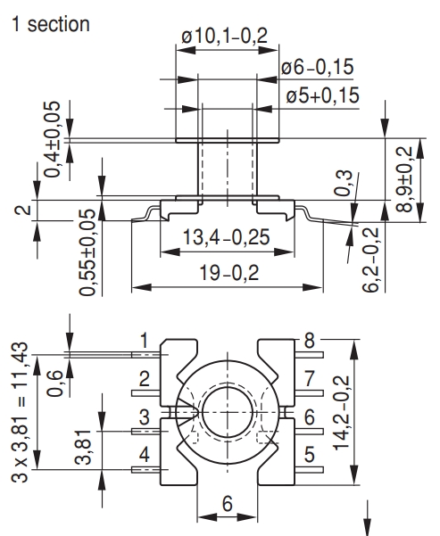
线圈架(ID:704741)
免责申明: 本网站模型由用户自行上传,如权利人发现存在误传其作品情形,请及时与本站联系。
立即下载
此图纸下载需要21金币
图纸ID:704741
文件大小:4.12M
软件版本:SOLIDWORKS 2016,STEP,PARASOLID
图纸格式:sldprt,sldasm,step,x_t
参数/编辑:可修改,包括参数
上传时间:2025-03-23
图纸介绍:
发布者
共创未来
作品: 11423
粉丝: 9
作者其它图纸
查看更多
自动称重包装机
SOLIDWORKS
2024-05-13 13:44
蔬菜清洗机
SOLIDWORKS
2024-05-13 13:47
液体自动灌装机
SOLIDWORKS
2024-05-13 13:47
螺旋输送机 - 螺旋输送机
SOLIDWORKS
2024-05-13 13:49
4 条抛丸室线的除尘系统
SOLIDWORKS
2024-06-27 13:15
机械臂夹持器
SOLIDWORKS
2024-07-20 12:48
爆米花机
SOLIDWORKS
2024-05-13 13:46
电容器系列
SOLIDWORKS
2024-06-26 16:36
猜你喜欢
芯铧开沟器
SOLIDWORKS
2025-05-12 14:31
垂直墙座[35-50-3570]
SOLIDWORKS
2025-07-14 12:23
BT50雷尼绍-OMP-40-2探头
STEP
2024-08-01 16:22
立式榛子破壳机
SOLIDWORKS,STEP
2025-04-08 16:10
对称漏斗容器
STEP
2024-07-17 22:06
CCTL模组TL135-S1050-BD.dwg
AUTOCAD
2025-03-20 15:37
龙CAD图案
AUTOCAD
2024-01-16 22:18
提示
×

下载该图档需要消耗21金币!

确认下载
客服
TOP