加载中
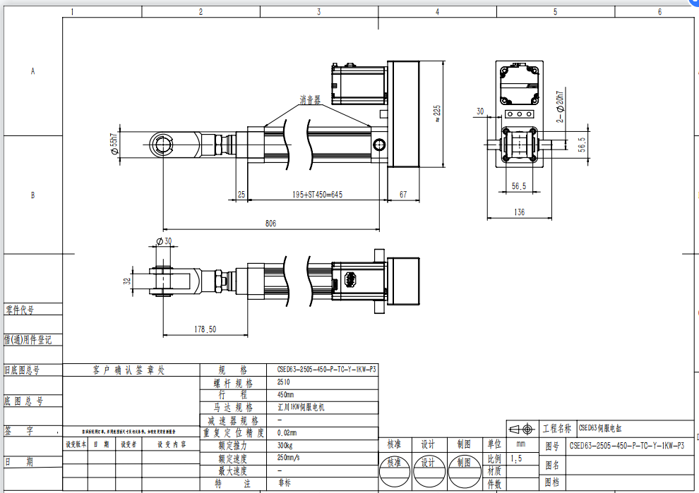
CSED63-2505-450-P-TC-Y-1KW-P3电缸(ID:707175)
免责申明: 本网站模型由用户自行上传,如权利人发现存在误传其作品情形,请及时与本站联系。
立即下载
此图纸下载需要10金币
图纸ID:707175
文件大小:10.35M
软件版本:SOLIDWORKS 2018,STEP
图纸格式:sldprt,step,pdf
参数/编辑:可修改,包括参数
上传时间:2025-03-24
图纸介绍:
发布者
屿双网jkkr
作品: 7504
粉丝: 2
作者其它图纸
查看更多
XY轴丝杆伺服移动平台
SOLIDWORKS
2024-07-19 12:28
回转轴承-单列球轴承模型
SOLIDWORKS,STEP
2025-03-06 15:34
安防网络监控摄像头
SOLIDWORKS
2024-07-19 12:37
爱普生六自由度机器人
STEP,SOLIDWORKS
2024-07-19 12:36
齿轮齿条系统
SOLIDWORKS
2024-07-18 14:59
二级圆柱齿轮减速器
SOLIDWORKS,AUTOCAD
2025-01-09 19:11
轴带滚珠丝杠
SOLIDWORKS,IGES,STL
2024-07-19 12:35
气缸
STP
2025-03-06 11:07
猜你喜欢
MS816-1柜锁[MS816-1-2]
SOLIDWORKS
2024-11-29 15:51
钣金
SOLIDWORKS
2025-03-13 14:08
CCTL模组TL135B-LU-2400
STEP
2025-03-20 14:41
资兴联体建筑
AUTOCAD
2024-02-19 11:51
驱动板
IGES,SOLIDWORKS,STEP
2024-06-18 17:54
提示
×

下载该图档需要消耗10金币!

确认下载
客服
TOP