加载中
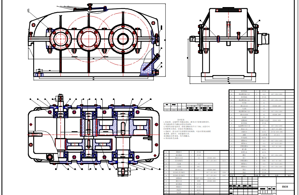
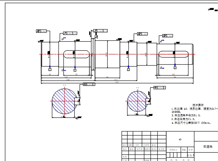
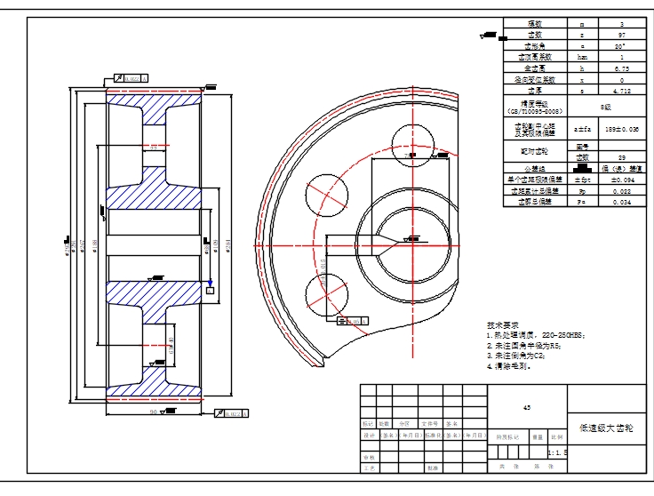
减速机(ID:739810)
免责申明: 本网站模型由用户自行上传,如权利人发现存在误传其作品情形,请及时与本站联系。
立即下载
此图纸下载需要10金币
图纸ID:739810
文件大小:2.03M
软件版本:AUTOCAD 2007
图纸格式:dwg
参数/编辑:可修改,包括参数
上传时间:2025-04-22
图纸介绍:
发布者
屿双网jkkr
作品: 7504
粉丝: 2
作者其它图纸
查看更多
XY轴丝杆伺服移动平台
SOLIDWORKS
2024-07-19 12:28
气缸
STP
2025-03-06 11:07
轴带滚珠丝杠
SOLIDWORKS,IGES,STL
2024-07-19 12:35
70X70的散热风扇
SOLIDWORKS
2024-12-21 21:21
回转轴承-单列球轴承模型
SOLIDWORKS,STEP
2025-03-06 15:34
安防网络监控摄像头
SOLIDWORKS
2024-07-19 12:37
爱普生六自由度机器人
STEP,SOLIDWORKS
2024-07-19 12:36
滚珠丝杆模组
SOLIDWORKS
2025-02-28 14:49
提示
×

下载该图档需要消耗10金币!

确认下载
客服
TOP