加载中
音频处理器和PT2313上的前置放大器(ID:746254)
免责申明: 本网站模型由用户自行上传,如权利人发现存在误传其作品情形,请及时与本站联系。
立即下载
此图纸下载需要10金币
图纸ID:746254
文件大小:133.59M
软件版本:SOLIDWORKS 2020,STEP
图纸格式:sldasm,sldprt,step
参数/编辑:可修改,包括参数
上传时间:2025-04-27
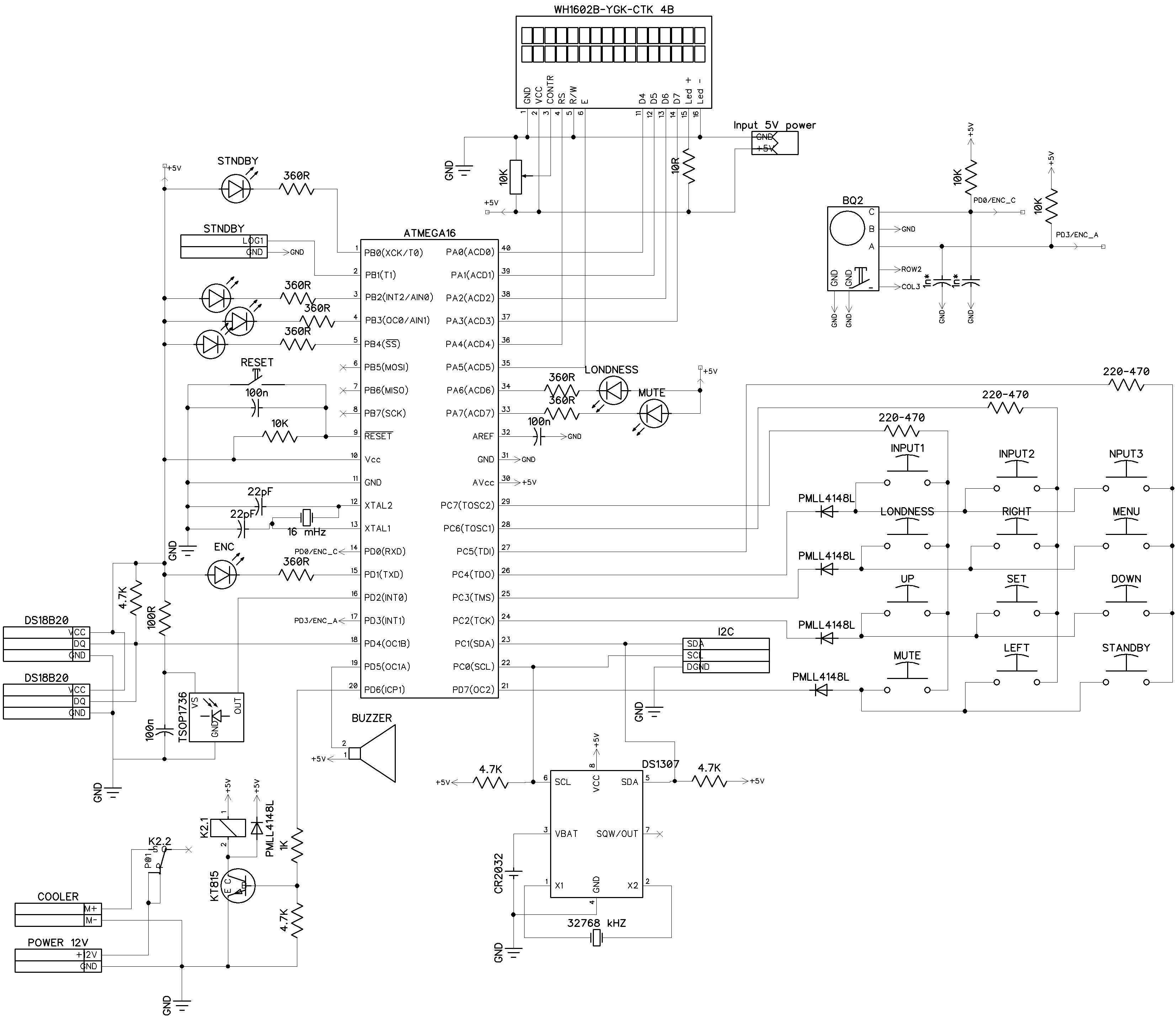
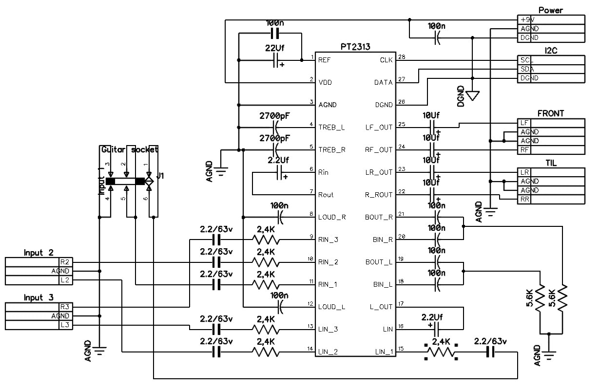
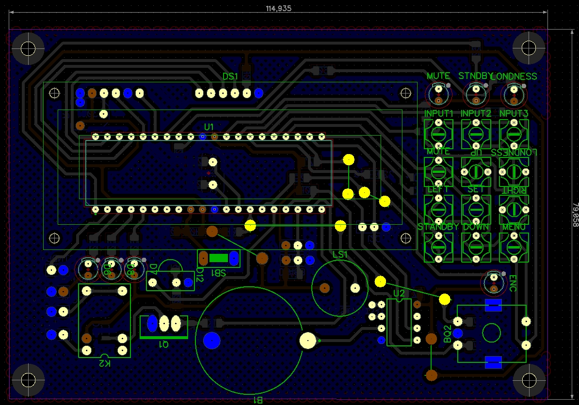
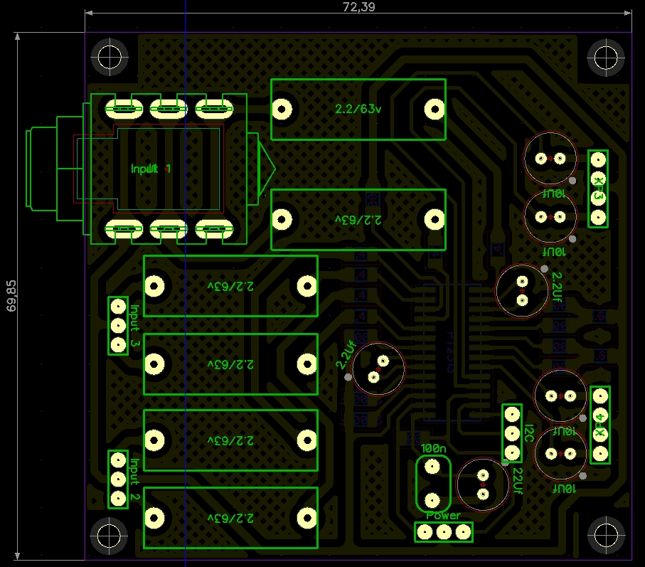
图纸介绍:
发布者
屿双网jkkr
作品: 7504
粉丝: 2
作者其它图纸
查看更多
XY轴丝杆伺服移动平台
SOLIDWORKS
2024-07-19 12:28
回转轴承-单列球轴承模型
SOLIDWORKS,STEP
2025-03-06 15:34
安防网络监控摄像头
SOLIDWORKS
2024-07-19 12:37
爱普生六自由度机器人
STEP,SOLIDWORKS
2024-07-19 12:36
气缸
STP
2025-03-06 11:07
齿轮齿条系统
SOLIDWORKS
2024-07-18 14:59
轴带滚珠丝杠
SOLIDWORKS,IGES,STL
2024-07-19 12:35
猜你喜欢
曲面花瓶
SOLIDWORKS,PARASOLID
2024-01-10 17:36
ECB14-1250-LU直线模组
STP
2025-05-14 14:31
移动431
UG
2025-01-15 19:31
曲轴零件图
AUTOCAD
2024-08-02 10:26
二位五通成组阀板[XQ-V502U-2-01]
SOLIDWORKS
2025-01-09 19:13
ECB10-900-L直线模组
STP
2025-05-14 14:07
15毫米铜配件
STEP,STL
2025-03-14 14:02
按钮 On-Off
INVENTOR,SOLIDWORKS,STP
2025-03-04 12:08
提示
×

下载该图档需要消耗10金币!

确认下载
客服
TOP