加载中
首页
图库
课设毕设
资料库
工程师
活动福利
+
发布图纸
登录
注册
账号密码登录
两周免密登录
忘记密码?
登 录
同意
《隐私协议》
和
《注册协议》
还没有账号,
去注册
账号注册
获取验证码
同意
《隐私协议》
和
《注册协议》
注册
已有账号,
去登录
微信扫码登录
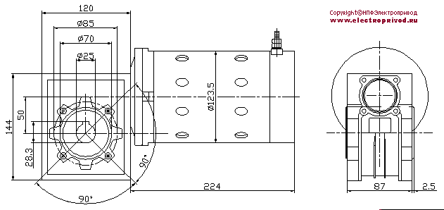
SolidWorks减速电机(ID:746739)
设备部件
/
电机减速机
/
SolidWorks减速电机
69
0
0
平面图
3D视图
文件列表
屿双网
屿双网
屿双网
屿双网
屿双网
屿双网
屿双网
屿双网
屿双网
屿双网
屿双网
屿双网
屿双网
屿双网
屿双网
屿双网
屿双网
#
文件名称
文件大小
1
WG1188-A.stp
4.63 MB
2
wg1188_dim.png
16 KB
举报/反馈
免责申明: 本网站模型由用户自行上传,如权利人发现存在误传其作品情形,请及时与本站联系。
立即下载
此图纸下载需要
21
金币
图纸ID:
746739
文件大小:
856.32KB
软件版本:
STP
参数/编辑:
可修改,包括参数
上传时间:
2025-04-27
图纸介绍:
发布者
共创未来
关注
作品:
11423
粉丝:
9
作者其它图纸
查看更多
自动称重包装机
SOLIDWORKS
2024-05-13 13:44
蔬菜清洗机
SOLIDWORKS
2024-05-13 13:47
液体自动灌装机
SOLIDWORKS
2024-05-13 13:47
螺旋输送机 - 螺旋输送机
SOLIDWORKS
2024-05-13 13:49
4 条抛丸室线的除尘系统
SOLIDWORKS
2024-06-27 13:15
机械臂夹持器
SOLIDWORKS
2024-07-20 12:48
爆米花机
SOLIDWORKS
2024-05-13 13:46
电容器系列
SOLIDWORKS
2024-06-26 16:36
猜你喜欢
直驱直线电机轴TPA-LNP-230D-P33-L960-C-1-3-C-10-N3(磁栅尺)
STEP
2025-06-10 13:11
RF107R77法兰轴伸式组合型斜齿轮减速机RF107R77-Y0.25-4P-71-M1-0°-Φ450
SOLIDWORKS
2025-05-06 16:38
SF57法兰轴伸式安装斜齿-蜗轮蜗杆减速机SF57-YV0.75-6P-45.92-M1-0°-B
SOLIDWORKS
2025-05-10 13:14
SAT87带防转臂空心轴安装斜齿-蜗轮蜗杆减速机SAT87-YV2.2-4P-198-M1-0°-A
SOLIDWORKS
2025-05-09 09:20
5I(R)K特种马达[5RK40A-C]
SOLIDWORKS
2024-07-18 15:34
公交车巴士座椅
STEP
2024-04-08 00:23
直驱直线电机轴TPA-LNP-140D-P13-L2040-C-1-3-C-10-N3(磁栅尺)
STEP
2025-06-10 12:04
直驱直线电机轴TPA-LNP-230D-P32-L1800-C-1-3-C-10-N3(磁栅尺)
STEP
2025-06-10 12:38
模型报错
模型报错类型:
分类错误
版本错误
雷同或版权问题,重复ID
图片与模型不一致
文件不完整
解压文件打不开或有问题
模型报错描述:
联系方式
提交报错
提示
×
下载该图档需要消耗21金币!
确认下载
我和
会话
发布私信
客服
扫码添加微信客服
签到
分享
TOP