加载中
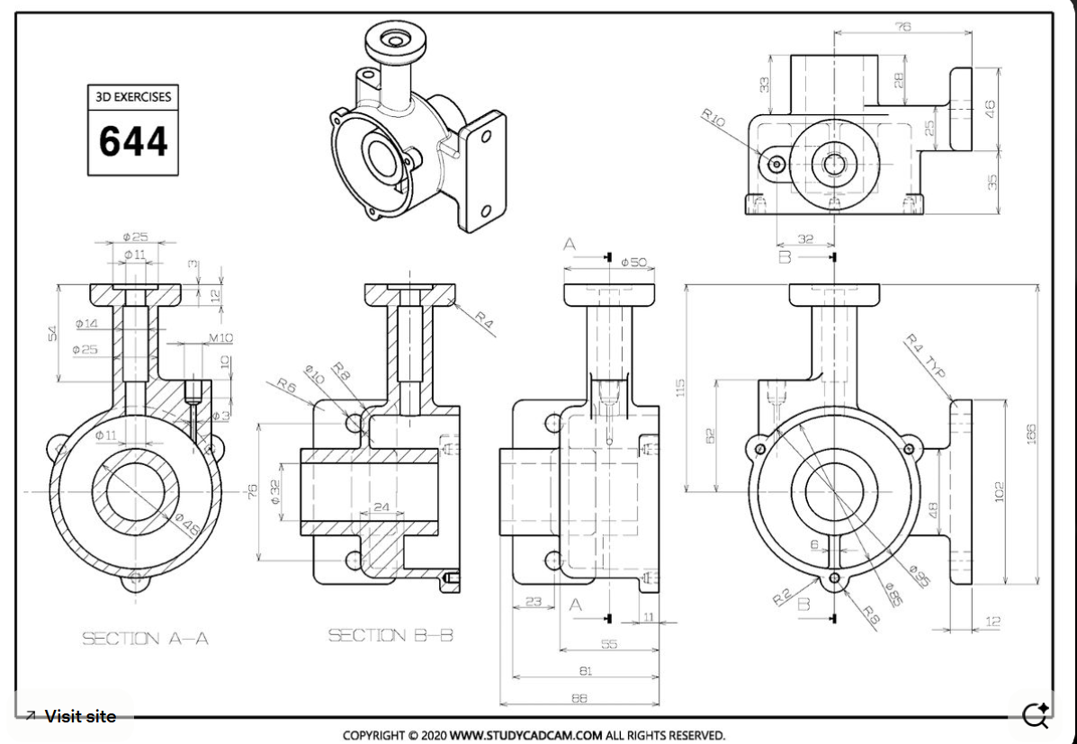
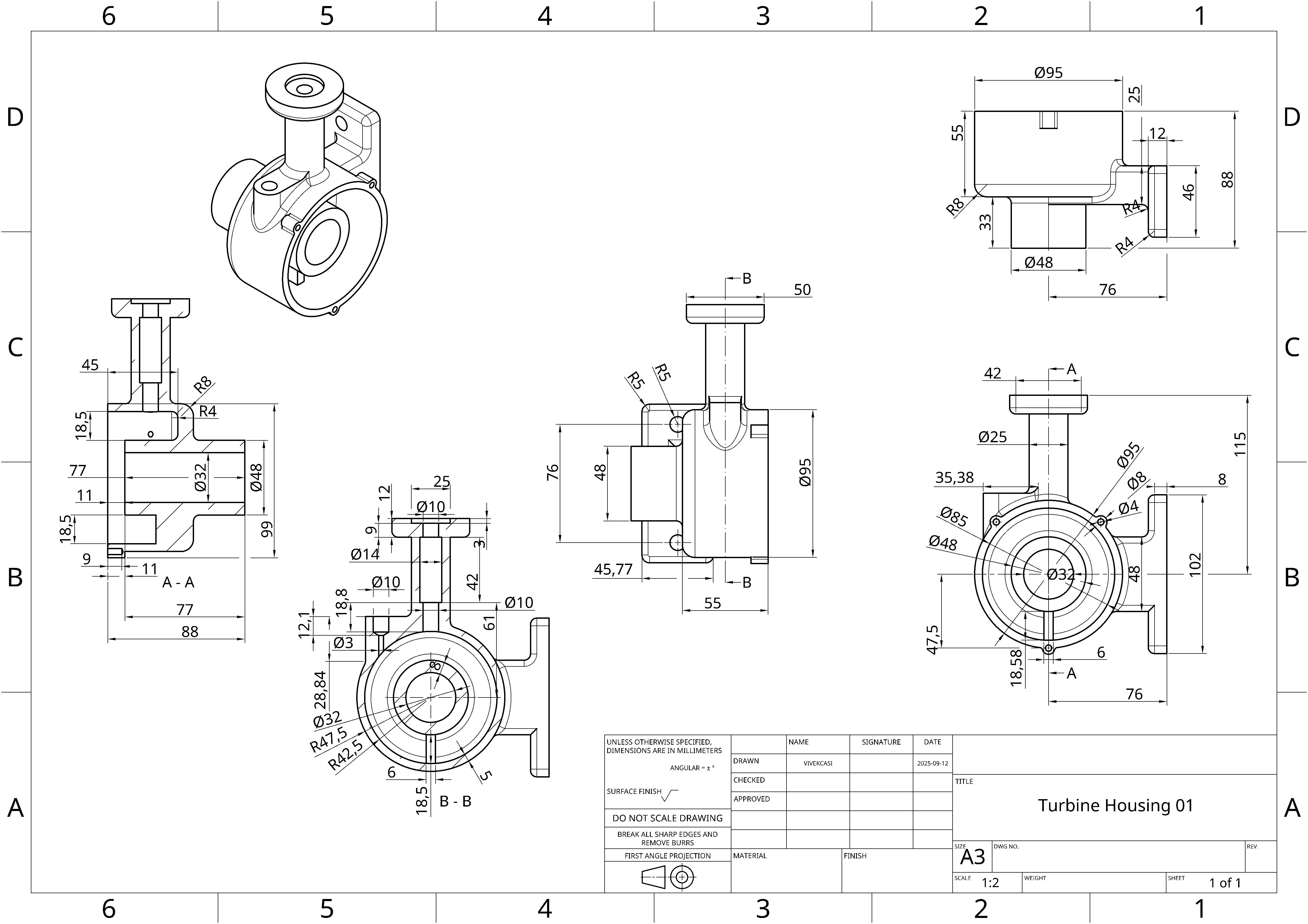
涡轮壳-轴承壳(ID:820869)
免责申明: 本网站模型由用户自行上传,如权利人发现存在误传其作品情形,请及时与本站联系。
立即下载
此图纸下载需要50金币
图纸ID:820869
文件大小:1.49M
软件版本:SOLIDWORKS
图纸格式:sldprt
参数/编辑:可修改,包括参数
上传时间:2025-09-13
图纸介绍:
发布者
屿双网kaym
作品: 0
粉丝: 0
作者其它图纸
查看更多
乒乓球发球机sw
SOLIDWORKS
2025-04-14 19:24
面包包装机-面包包装机
SOLIDWORKS,STEP,PARASOLID
2025-08-28 20:20
手动夹具组件
SOLIDWORKS
2025-08-26 11:04
锤钻转换为柱钻的机器
PARASOLID
2025-09-17 11:24
产品包装机打包机
SOLIDWORKS,STEP,STP
2025-08-22 21:42
安欣元3D模型
STP
2025-04-14 19:14
消防灭火车消防车
IGS,SOLIDWORKS,STL
2025-04-14 10:53
差速器
STEP
2025-09-13 21:43
提示
×

下载该图档需要消耗50金币!

确认下载
客服
TOP