加载中
首页
图库
课设毕设
资料库
工程师
活动福利
+
发布图纸
登录
注册
账号密码登录
两周免密登录
忘记密码?
登 录
同意
《隐私协议》
和
《注册协议》
还没有账号,
去注册
账号注册
获取验证码
同意
《隐私协议》
和
《注册协议》
注册
已有账号,
去登录
微信扫码登录
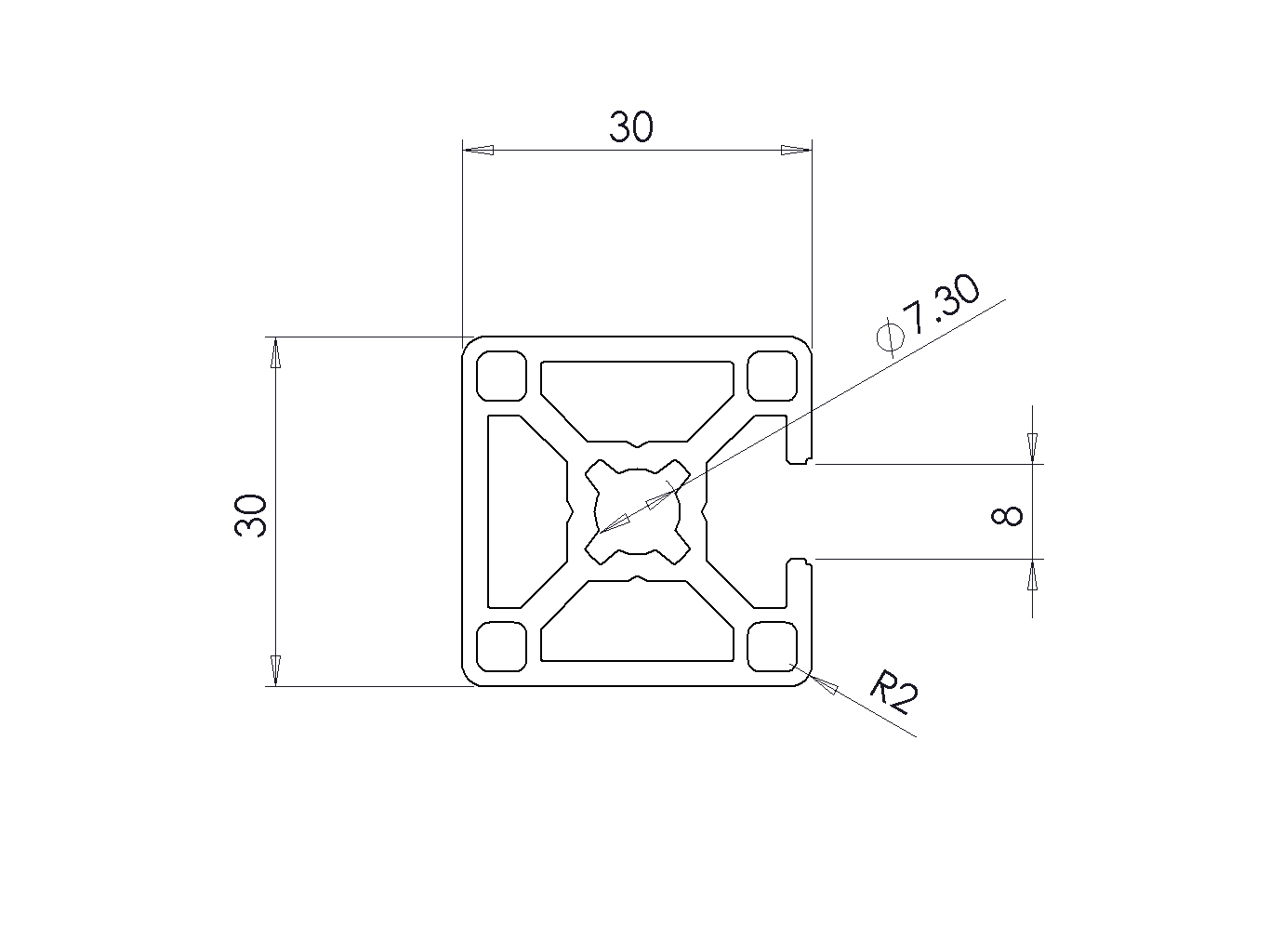
30X30 1N BR铝型材(ID:821142)
设备部件
/
型材
/
30X30 1N BR铝型材
23
0
0
平面图
3D视图
文件列表
屿双网
屿双网
屿双网
屿双网
屿双网
屿双网
屿双网
屿双网
屿双网
屿双网
屿双网
屿双网
屿双网
屿双网
屿双网
屿双网
屿双网
屿双网
屿双网
#
文件名称
文件大小
1
3 842 992 397.SLDPRT
214 KB
2
30X30 1N DIMENSIONS.JPG
106 KB
3
30X30 1N.dxf
163 KB
4
30X30 1N.png
1.03 MB
举报/反馈
免责申明: 本网站模型由用户自行上传,如权利人发现存在误传其作品情形,请及时与本站联系。
立即下载
此图纸下载需要
10
金币
图纸ID:
821142
文件大小:
1.54M
软件版本:
SOLIDWORKS 2015,AUTOCAD 2015
图纸格式:
sldprt
参数/编辑:
可修改,包括参数
上传时间:
2025-09-15
图纸介绍:
发布者
屿双网jkkr
关注
作品:
7504
粉丝:
2
作者其它图纸
查看更多
XY轴丝杆伺服移动平台
SOLIDWORKS
2024-07-19 12:28
回转轴承-单列球轴承模型
SOLIDWORKS,STEP
2025-03-06 15:34
安防网络监控摄像头
SOLIDWORKS
2024-07-19 12:37
爱普生六自由度机器人
STEP,SOLIDWORKS
2024-07-19 12:36
齿轮齿条系统
SOLIDWORKS
2024-07-18 14:59
气缸
STP
2025-03-06 11:07
RV系列蜗轮减速机[RV50-71]
STEP
2025-01-04 17:55
轴带滚珠丝杠
SOLIDWORKS,IGES,STL
2024-07-19 12:35
猜你喜欢
澳宏铝型材_工业铝型材2080重型国标
STEP
2025-05-27 22:51
电缆导轨铝型材D30_电缆导轨铝型材D30
SOLIDWORKS
2025-05-14 08:22
机器人安全护栏三维模型专业铝型材防护栏图纸清单BOM
STEP,SOLIDWORKS
2024-01-10 09:06
40系列铝型材_AA40-40120-8-H-200
SOLIDWORKS
2025-03-11 17:16
80-20标准型材铝挤压
IGS,STL,RHINO,AUTOCAD,STP
2025-09-14 00:54
铝型材端盖8080
SOLIDWORKS,STEP
2025-05-27 23:40
2020 T槽剖面铝型材
SOLIDWORKS,STEP
2025-03-05 17:34
XE-LSX44铝型材30x90
SOLIDWORKS
2025-04-10 15:05
模型报错
模型报错类型:
分类错误
版本错误
雷同或版权问题,重复ID
图片与模型不一致
文件不完整
解压文件打不开或有问题
模型报错描述:
联系方式
提交报错
提示
×
下载该图档需要消耗10金币!
确认下载
我和
会话
发布私信
客服
扫码添加微信客服
签到
分享
TOP