加载中
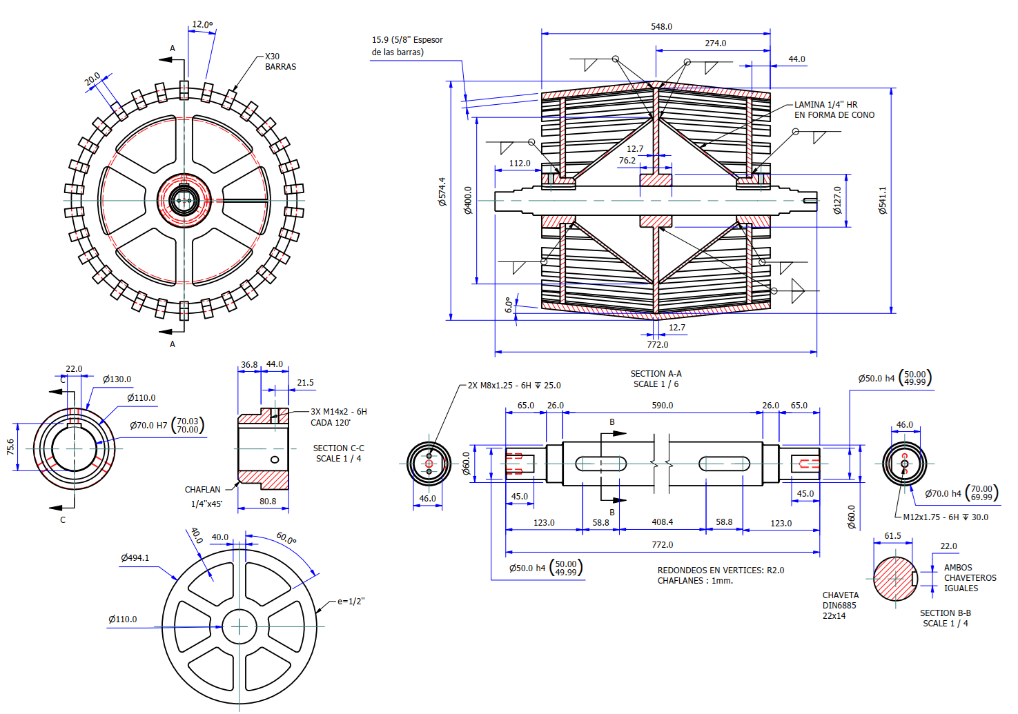
驱动轮斗式提升机(ID:825445)
免责申明: 本网站模型由用户自行上传,如权利人发现存在误传其作品情形,请及时与本站联系。
立即下载
此图纸下载需要15金币
图纸ID:825445
文件大小:2.84M
软件版本:IGS
图纸格式:pdf,igs
参数/编辑:可修改,包括参数
上传时间:2025-10-21
图纸介绍:
发布者
屿双网kaym
作品: 0
粉丝: 0
作者其它图纸
查看更多
乒乓球发球机sw
SOLIDWORKS
2025-04-14 19:24
面包包装机-面包包装机
SOLIDWORKS,STEP,PARASOLID
2025-08-28 20:20
手动夹具组件
SOLIDWORKS
2025-08-26 11:04
锤钻转换为柱钻的机器
PARASOLID
2025-09-17 11:24
数字门禁锁
STEP
2025-10-12 23:57
产品包装机打包机
SOLIDWORKS,STEP,STP
2025-08-22 21:42
旋转切割刀片
STP
2025-09-27 19:03
安欣元3D模型
STP
2025-04-14 19:14
猜你喜欢
滚筒输送机设计建模
SOLIDWORKS
2024-03-31 01:40
给料机和称重主机
SOLIDWORKS,AUTOCAD,IGES,STEP,FBX,STL,OBJ,PARASOLID,INVENTOR
2024-02-29 13:44
三列式硅棒输送线板链线1.5m
SOLIDWORKS,STEP
2023-12-29 16:17
4米0.4米皮带输送机
STEP,SOLIDWORKS
2024-05-27 21:06
链式输送机结构
SOLIDWORKS
2025-08-14 19:19
输送机
SOLIDWORKS
2025-04-21 23:17
带式输送机400 x3000
STEP
2024-07-20 20:33
提示
×

下载该图档需要消耗15金币!

确认下载
客服
TOP