加载中
首页
图库
课设毕设
资料库
工程师
活动福利
+
发布图纸
登录
注册
账号密码登录
两周免密登录
忘记密码?
登 录
同意
《隐私协议》
和
《注册协议》
还没有账号,
去注册
账号注册
获取验证码
同意
《隐私协议》
和
《注册协议》
注册
已有账号,
去登录
微信扫码登录
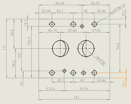
阀门底座块-G414(ID:841265)
设备部件
/
管道附件
/
阀门底座块-G414
42
0
0
平面图
3D视图
文件列表
屿双网
屿双网
屿双网
屿双网
屿双网
屿双网
屿双网
屿双网
屿双网
屿双网
屿双网
屿双网
屿双网
屿双网
屿双网
屿双网
屿双网
屿双网
屿双网
屿双网
屿双网
#
文件名称
文件大小
1
1.png
9.94 KB
2
2.png
8.32 KB
3
3.png
44.9 KB
4
valve block-G414-01.SLDDRW
169 KB
5
valve block-G414-01.SLDPRT
269 KB
举报/反馈
免责申明: 本网站模型由用户自行上传,如权利人发现存在误传其作品情形,请及时与本站联系。
立即下载
此图纸下载需要
10
金币
图纸ID:
841265
文件大小:
513.85KB
软件版本:
SOLIDWORKS 2018
图纸格式:
sldprt
参数/编辑:
可修改,包括参数
上传时间:
2025-12-30
图纸介绍:
发布者
屿双网gqns
关注
作品:
20
粉丝:
0
作者其它图纸
查看更多
激光打码机构
SOLIDWORKS,STEP,PARASOLID
2025-12-11 15:59
指关节繁荣卡车_繁重的举重和加载解决方案
SOLIDWORKS
2025-09-23 10:42
电热水壶
SOLIDWORKS
2025-12-26 05:48
轮毂电机
SOLIDWORKS
2024-11-15 14:30
密封圈上料机构
SOLIDWORKS,STEP,PARASOLID
2025-12-11 15:53
双转盘串联视觉检测机构
SOLIDWORKS,STEP,PARASOLID
2025-12-13 04:44
2轴太阳能电池板跟踪
SOLIDWORKS
2025-04-08 22:04
牲畜拖车
PARASOLID
2025-09-28 10:06
猜你喜欢
RKD044 折返电动缸 负载100kg 折返鱼眼接头+单双耳环电动缸[RKD044-300-P-400W-Y-H]
STEP
2025-02-26 20:15
IPL45 45度螺纹弯头_IPL45 04-01
SOLIDWORKS
2025-04-29 16:32
卫生级止回阀[卫生级止回阀-3]
STEP
2024-11-27 17:06
阀门自动检测设备生产线设计
SOLIDWORKS
2023-12-29 14:17
32 24 ctx s硬管接头
STP
2025-03-27 15:22
溶剂焊接用聚氯乙烯管接头衬套
SOLIDWORKS
2025-03-10 16:03
EO管接头弯头W16SCF.stp
STP
2025-03-26 09:03
管接头螺纹68PLM-4M-2G系列
STP
2025-03-02 21:49
模型报错
模型报错类型:
分类错误
版本错误
雷同或版权问题,重复ID
图片与模型不一致
文件不完整
解压文件打不开或有问题
模型报错描述:
联系方式
提交报错
提示
×
下载该图档需要消耗10金币!
确认下载
我和
会话
发布私信
客服
扫码添加微信客服
签到
分享
TOP