加载中
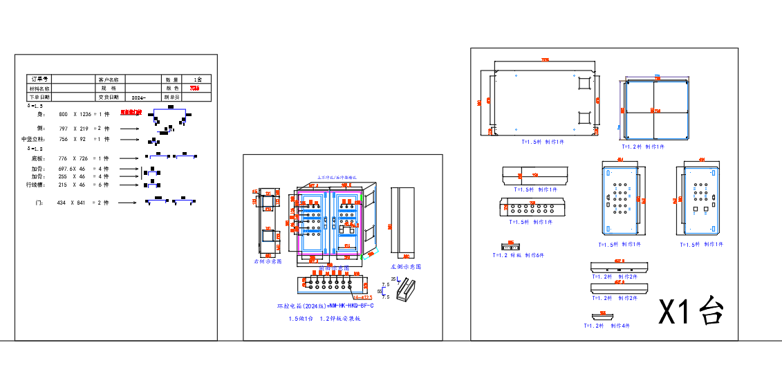
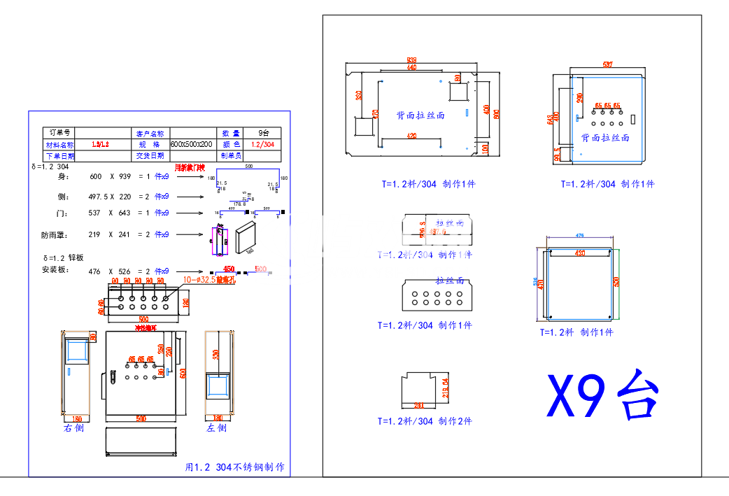
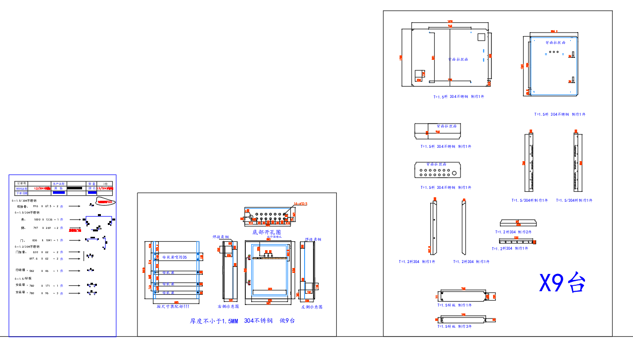
钣金模版-配电箱配电柜钣金箱体展开图(ID:843340)
免责申明: 本网站模型由用户自行上传,如权利人发现存在误传其作品情形,请及时与本站联系。
免费下载
此图纸可免费下载
图纸ID:843340
文件大小:4.53M
软件版本:AUTOCAD 2004
图纸格式:dwg
参数/编辑:可修改,包括参数
上传时间:2026-01-19
图纸介绍:
发布者
屿双网小匠
作品: 13827
粉丝: 65
作者其它图纸
查看更多
SolidWorks设计的AR15步枪3D模型
SOLIDWORKS,STEP,PARASOLID,UG
2024-05-20 00:45
小米汽车su7   三维模型
STEP,3DMAX,BLENDER
2024-04-09 01:39
塑料铺设农机结构
STEP,SOLIDWORKS
2024-02-27 00:57
同步轮同步带直线滑台模组
SOLIDWORKS,STEP,PARASOLID
2024-01-09 01:27
CNC 三轴模型
SOLIDWORKS,STL
2024-05-27 20:42
1比35 虎式坦克
STEP,SOLIDWORKS
2024-03-01 16:29
猜你喜欢
用于消防泵的循环泄压阀
INVENTOR
2025-08-23 16:38
多款可爱挂钩
AUTOCAD
2024-01-13 13:42
雷克萨斯轿跑车
IGS,STP
2026-02-07 09:22
16表位电表箱
SOLIDWORKS
2024-08-04 10:20
黄油嘴
SOLIDWORKS
2024-04-24 17:58
世界地图
AUTOCAD
2025-04-21 15:29
标准尺寸的金属护罩
IGES,STEP,OBJL
2025-07-18 23:21
提示
×

下载该图档需要消耗0金币!

确认下载
客服
TOP