加载中
首页
图库
课设毕设
资料库
工程师
活动福利
+
发布图纸
登录
注册
账号密码登录
两周免密登录
忘记密码?
登 录
同意
《隐私协议》
和
《注册协议》
还没有账号,
去注册
账号注册
获取验证码
同意
《隐私协议》
和
《注册协议》
注册
已有账号,
去登录
微信扫码登录
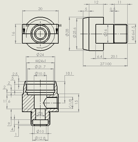
气动缸(圆形后部安装)20x8x26毫米(ID:849853)
设备部件
/
液压气动元件
/
气动缸(圆形后部安装)20x8x26毫米
28
0
0
平面图
3D视图
文件列表
屿双网
屿双网
屿双网
屿双网
屿双网
屿双网
屿双网
屿双网
屿双网
屿双网
屿双网
屿双网
屿双网
屿双网
屿双网
屿双网
屿双网
屿双网
屿双网
屿双网
屿双网
屿双网
屿双网
屿双网
屿双网
#
文件名称
文件大小
1
130852.png
74.9 KB
2
130924.png
88.3 KB
3
131007.png
126 KB
4
131256.png
8.37 KB
5
131350.png
10.5 KB
6
S1275.SLDASM
194 KB
举报/反馈
免责申明: 本网站模型由用户自行上传,如权利人发现存在误传其作品情形,请及时与本站联系。
立即下载
此图纸下载需要
10
金币
图纸ID:
849853
文件大小:
515.19KB
软件版本:
SOLIDWORKS 2018
图纸格式:
sldasm
参数/编辑:
可修改,包括参数
上传时间:
2026-03-18
图纸介绍:
发布者
屿双网gqns
关注
作品:
20
粉丝:
0
作者其它图纸
查看更多
传送带
SOLIDWORKS
2025-09-19 09:50
激光打码机构
SOLIDWORKS,STEP,PARASOLID
2025-12-11 15:59
指关节繁荣卡车_繁重的举重和加载解决方案
SOLIDWORKS
2025-09-23 10:42
升降台
SOLIDWORKS,STEP
2026-03-06 09:26
电热水壶
SOLIDWORKS
2025-12-26 05:48
电机
SOLIDWORKS
2026-03-06 05:23
轮毂电机
SOLIDWORKS
2024-11-15 14:30
密封圈上料机构
SOLIDWORKS,STEP,PARASOLID
2025-12-11 15:53
猜你喜欢
圆形气缸-25x10x16-mm-1.snapshot.1
SOLIDWORKS
2026-01-21 08:32
气立可CHELIC气缸油缸2D-SDAD20x100
AUTOCAD
2025-10-29 16:37
TN系列双轴气缸TN-32X150-S
SOLIDWORKS
2025-05-12 12:32
EO标准液压接头 Union G18ZL71(1)
STP
2025-04-03 13:09
EO标准液压接头可调锁紧螺母分支三通TEE08SROMDCF
STP
2025-03-28 16:33
液压缸,
SOLIDWORKS
2025-02-22 16:31
液压元件,电磁阀,泵,阀Continental Hydraulics-VSD03M_1_5_DIN_DC
SOLIDWORKS
2025-05-28 15:57
RV80气动隔膜泵(金属)[RVA-K3311-F]
SOLIDWORKS
2025-01-04 17:53
模型报错
模型报错类型:
分类错误
版本错误
雷同或版权问题,重复ID
图片与模型不一致
文件不完整
解压文件打不开或有问题
模型报错描述:
联系方式
提交报错
提示
×
下载该图档需要消耗10金币!
确认下载
我和
会话
发布私信
客服
扫码添加微信客服
签到
分享
TOP