加载中
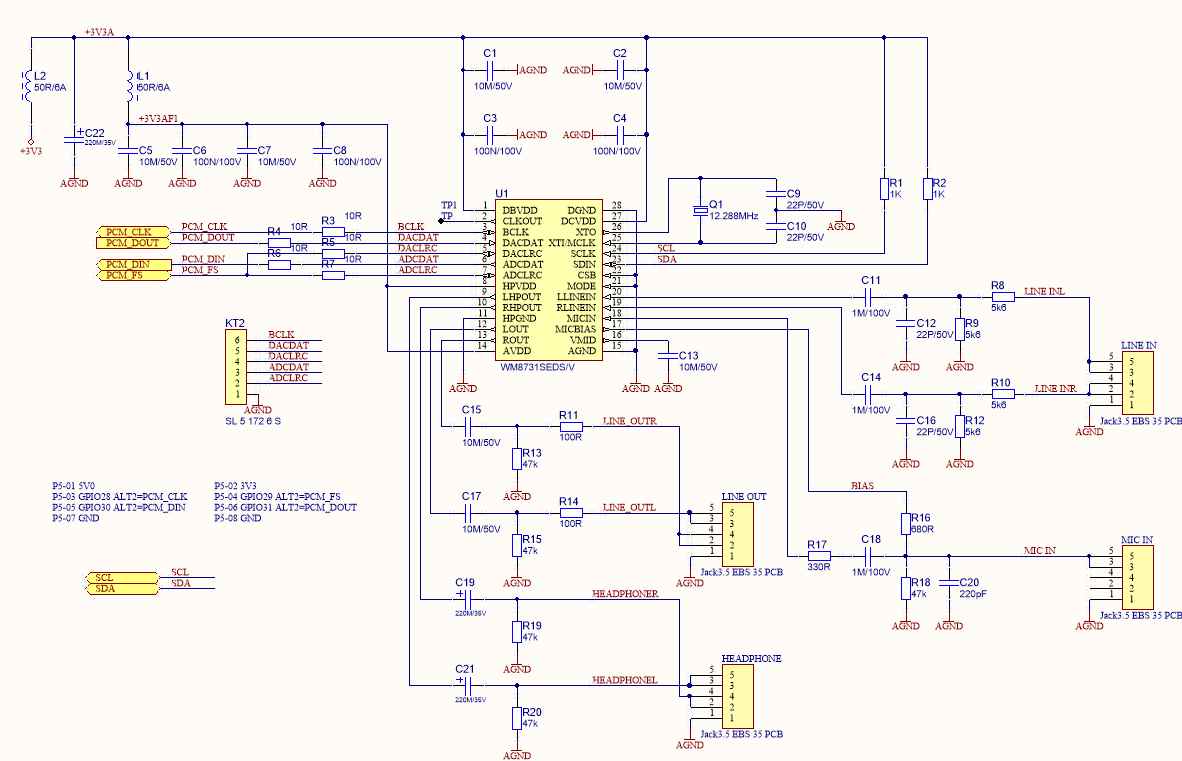
音频编解码器 WM8731(ID:850309)
免责申明: 本网站模型由用户自行上传,如权利人发现存在误传其作品情形,请及时与本站联系。
立即下载
此图纸下载需要10金币
图纸ID:850309
文件大小:6.4M
软件版本:STEP
图纸格式:step
参数/编辑:可修改,不包括参数
上传时间:2026-03-26
图纸介绍:
发布者
屿双网gqns
作品: 20
粉丝: 0
作者其它图纸
查看更多
传送带
SOLIDWORKS
2025-09-19 09:50
激光打码机构
SOLIDWORKS,STEP,PARASOLID
2025-12-11 15:59
升降台
SOLIDWORKS,STEP
2026-03-06 09:26
电热水壶
SOLIDWORKS
2025-12-26 05:48
电机
SOLIDWORKS
2026-03-06 05:23
轮毂电机
SOLIDWORKS
2024-11-15 14:30
密封圈上料机构
SOLIDWORKS,STEP,PARASOLID
2025-12-11 15:53
猜你喜欢
外螺纹T恤172C 4 4
STP
2025-03-27 15:10
3D打印桌下抽屉
SOLIDWORKS
2025-03-27 22:26
石墨化炉总成
AUTOCAD
2024-08-01 18:26
摄影机稳定器
SOLIDWORKS
2025-02-22 13:25
CCTL模组TL135-S600-BC.DWG
AUTOCAD
2025-03-20 14:57
水平带锯条组件
RHINO,STP
2025-03-05 10:47
电动链式升降平台
STEP
2024-06-27 17:11
提示
×

下载该图档需要消耗10金币!

确认下载
客服
TOP